73 975 товаров в наличии и на заказ

Электронные компоненты и расходные материалы

$
Настройка отображения валюты
Полный каталог
Скидка на Конденсаторы
-20%

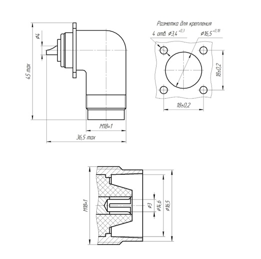
СР50-153ФВ Розетка приборная угловая, резьбовая (арт. ZA-100)

АООТ Исеть; ВР0.364.007 ТУ; фторопласт; фланец

СР50-153ФВ Розетка приборная угловая – соединитель с резьбовым способом сочленения. Предназначен для работы в электрических цепях радиочастотных трактов в диапазоне частот до 10000 МГц. Структура условного обозначения: СР – соединитель радиочастотный; 50 – величина волнового сопротивления (Ом); 153 – порядковый номер разработки; Ф – изоляционный материал (фторопласт); В – всеклиматическое исполнение. Ответная часть розетки: вилка кабельная СР50-130ФВ, СР50-135ФВ, СР50-161ФВ, СР50-164ФВ, СР50-757ФВ, СР50-811ФВ, СР50-813ФВ… Вся дополнительная информация находится во вложении на товар, см. pdf – файл.

Подробнее
Заметили
ошибку ?
Сообщите нам

Общая информация

Наименование СР50-153ФВ Розетка приборная угловая, резьбовая
Код ТНВЭД 8536508008
Торговая марка АООТ Исеть
Страна изготовления РОССИЯ
Нормы и требования ВР0.364.007 ТУ, ГОСТ 20265-83
Дата изготовленияi дата не указана
Вид приемки i "1"- ОТК
Масса изделия, гр 66
Вид упаковки полиэт. пакет (1шт)
Состояние упаковки самоупаковка
Транслитерация SR50-153FV Angular instrument socket, threaded
Наличие паспорта - этикетки нет

Основные параметры

Функциональная группа соединители
Функциональный тип высокочастотные соединители
Серия разъемов СР50
Тип разъема розетка
Ответная часть разъема СР50-130ФВ, СР50-135ФВ, СР50-161ФВ, СР50-164ФВ, СР50-757ФВ, СР50-811ФВ, СР50-813ФВ…
Типономинал / Типоконструкция приборная
Конструкция корпуса угловая
Материал корпуса латунь
Покрытие корпуса (Ni) никель
Вид контактов круглые
Тип контактов гнездо
Диаметр контактов 3 mm
Количество контактов 1
Материал контактов латунь
Покрытие контактов Ag (серебро)
Конструктивное исполнение хвостовика фланец
Габаритные размеры L*W*H 45х36,5х25 mm
Материал изолятора фторопласт
Цвет изолятора белый
Метод монтажа механический на панель
Метод монтажа электрический пайка
Метод сочленения резьбовой
Размер монтажного отверстия М18х1
Диаметр установочного отверстия 3,4 mm
Марки присоединяемых кабелей РК50-2-21, РК50-2-22, РК50-4-21, РК50-7-21, РК50-7-22, РК50-7-47К
Диаметр присоединяемых кабелей 2 mm; 4 mm; 7 mm
Фактическая маркировка СР50-153ФВ

Технические характеристики

Рабочий ток 10 mA
Волновое сопротивление 50 Ω
Диапазон рабочих частот 0 - 10 GHz
Рабочее напряжение (амплитудное) 500 V
Сопротивление контактов штырь-гнездо 10 mΩ
Сопротивление корпус-корпус 10 mΩ
Герметичность негерметичный

Условия эксплуатации

Интервал рабочих температур от -60 до +155°С
Климатическое исполнениеi В - всеклиматическое исполнение
Относительная влажность 98% при температуре +35°С
Макс. срок хранения 25 лет
Ресурс 500 сочленений-расчленений
Загрузка...
Принимаем заказы на товары,
не вошедшие в каталог

Пришлите маркировку необходимого вам товара.
Мы предоставим Вам наилучшие условия по поставке!

Оформить заявку

Недавно просмотренные товары

Принимаем к оплате
IP Electron в соцсетях