73 896 товаров в наличии и на заказ

Электронные компоненты и расходные материалы

$
Настройка отображения валюты
Полный каталог
Скидка на Конденсаторы
-20%

СР50-631ФВ Розетка кабельная прямая, врубная (арт. TP-3779)

ПО Октябрь, Каменск-Уральский; ВР0.364.030 ТУ; фторопласт; гайка

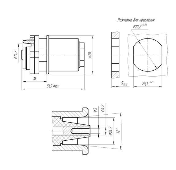
СР50-631ФВ Розетка кабельная прямая – соединитель врубным способом сочленения. Предназначен для работы в электрических цепях радиочастотных трактов в диапазоне частот до 10000 МГц. Структура условного обозначения: СР – соединитель радиочастотный; 50 – величина волнового сопротивления (Ом); 631 – порядковый номер разработки; Ф – изоляционный материал (фторопласт); В – всеклиматическое исполнение. Ответная часть розетки: вилка кабельная СР50-630ФВ. Номинальный диаметр кабеля по изоляции 7,0 мм. Вся дополнительная информация находится во вложении на товар, см. pdf – файл.

Подробнее
Заметили
ошибку ?
Сообщите нам

Общая информация

Наименование СР50-631ФВ Розетка кабельная прямая, врубная
Код ТНВЭД 8536508008
Торговая марка ИСЕТЬ, Каменск-Уральский
Страна изготовления СССР
Нормы и требования ВР0.364.030 ТУ, ГОСТ 20265-83
Дата изготовленияi 1976-1991
Вид приемки i "5"- ВП, ПЗ
Масса изделия, гр 80
Вид упаковки полиэт. пакет (1шт)
Состояние упаковки самоупаковка
Транслитерация SR50-631FV Straight cable socket, plug-in
Наличие паспорта - этикетки нет

Основные параметры

Функциональная группа соединители
Функциональный тип высокочастотные соединители
Серия разъемов СР50
Тип разъема розетка
Ответная часть разъема СР50-630ФВ
Типономинал / Типоконструкция кабельная
Конструкция корпуса прямая
Материал корпуса латунь
Покрытие корпуса (Ni) никель
Вид контактов круглые
Тип контактов гнездо
Диаметр контактов 3 mm
Количество контактов 1
Материал контактов бронза
Покрытие контактов Ag (серебро)
Конструктивное исполнение хвостовика гайка
Габаритные размеры L*W*H 26х51,5 mm
Материал изолятора фторопласт
Цвет изолятора белый
Метод монтажа механический на панель
Метод монтажа электрический обжим
Метод сочленения врубной
Размер монтажного отверстия 14,7 mm
Марки присоединяемых кабелей РК50-7-21, РК50-7-22 (до 1991г.)
Диаметр присоединяемых кабелей 7 mm;
Фактическая маркировка СР50-631ФВ

Технические характеристики

Рабочий ток 10 mA
Волновое сопротивление 50 Ω
Диапазон рабочих частот 0 - 10 GHz
Рабочее напряжение (амплитудное) 500 V
Сопротивление контактов штырь-гнездо 10 mΩ
Сопротивление корпус-корпус 10 mΩ
Герметичность негерметичный

Условия эксплуатации

Интервал рабочих температур от -60 до +155°С
Климатическое исполнениеi В - всеклиматическое исполнение
Относительная влажность 98% при температуре +35°С
Макс. срок хранения 25 лет
Ресурс 500 сочленений-расчленений

Оставить отзыв

Оценка:
              
Преимущества *
Недостатки *
Комментарий *
Ваше Имя *
Эл. почта *
Введите текст с картинки:
* Поля для обязательного заполнения
Отзыв будет опубликован после проверки модератором
Принимаем заказы на товары,
не вошедшие в каталог

Пришлите маркировку необходимого вам товара.
Мы предоставим Вам наилучшие условия по поставке!

Оформить заявку

Недавно просмотренные товары

Принимаем к оплате
IP Electron в соцсетях