74 118 товаров в наличии и на заказ

Электронные компоненты и расходные материалы

$
Настройка отображения валюты
Полный каталог
Скидка на Конденсаторы
-20%

СР75-392ФВ Переход прямой розетка/вилка. (арт. TP-3790)

ПО Октябрь, Каменск-Уральский; ВР0.364.044 ТУ; фторопласт; -

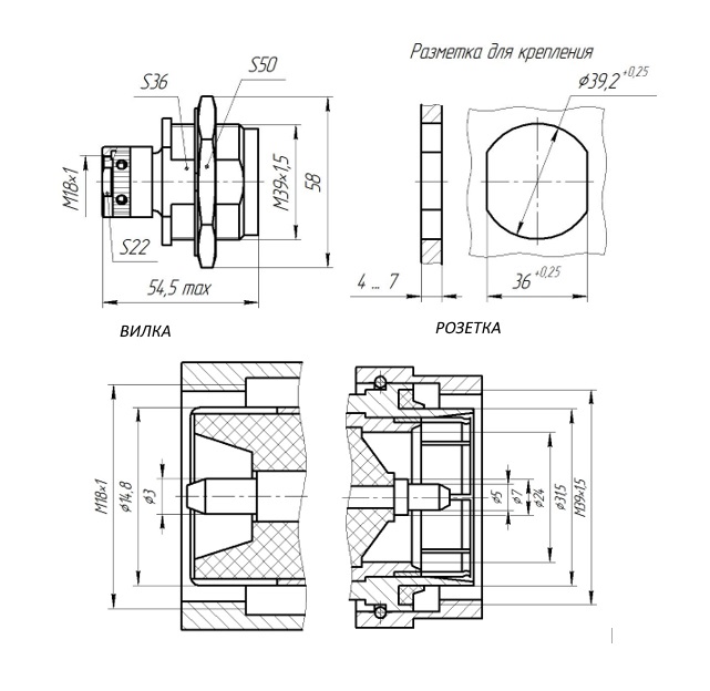
СР75-392ФВ Переход розетка/вилка – соединитель с резьбовым способом сочленения. Предназначен для работы в электрических цепях радиочастотных трактов в диапазоне частот до 10000 МГц. Структура условного обозначения: СР – соединитель радиочастотный; 75 – величина волнового сопротивления (Ом); 392 – порядковый номер разработки; Ф – изоляционный материал (фторопласт); В – всеклиматическое исполнение. Ответная часть вилки: розетка приборно-кабельная СР75-155ФВ. Ответная часть розетки: вилка кабельная СР75-195ФВ, СР75-197ФВ, СР75-199ФВ, СР75-201ФВ, СР75-369ФВ, СР75-371ФВ. Вся дополнительная информация находится во вложении на товар, см. pdf – файл.

Подробнее
Заметили
ошибку ?
Сообщите нам

Общая информация

Наименование СР75-392ФВ Переход прямой розетка/вилка.
Код ТНВЭД 8536508008
Торговая марка ИСЕТЬ, Каменск-Уральский
Страна изготовления СССР
Нормы и требования ВР0.364.044 ТУ, ГОСТ 20265-83
Дата изготовленияi 1976-1991
Вид приемки i "5"- ВП, ПЗ
Масса изделия, гр 263
Вид упаковки полиэт. пакет (1шт)
Состояние упаковки самоупаковка
Транслитерация SR75-392FV Transition
Наличие паспорта - этикетки нет

Основные параметры

Функциональная группа соединители
Функциональный тип высокочастотные соединители
Серия разъемов СР75
Тип разъема розетка/вилка
Ответная часть разъема розетка СР75-155ФВ; вилка СР75-195ФВ, СР75-197ФВ, СР75-199ФВ, СР75-201ФВ, СР75-369ФВ, СР75
Типономинал / Типоконструкция переход розетка/вилка
Конструкция корпуса прямая
Материал корпуса латунь
Покрытие корпуса (Ni) никель
Вид контактов круглые
Тип контактов штырь + гнездо
Диаметр контактов 3 mm; 5 mm
Количество контактов 1
Материал контактов бронза
Покрытие контактов Ag (серебро)
Габаритные размеры L*W*H 58х54,5 mm
Материал изолятора фторопласт
Цвет изолятора белый
Метод монтажа механический на панель
Метод сочленения резьбовой/байонетный
Размер монтажного отверстия М18х1 / М39х1,5
Фактическая маркировка СР75-392ФВ

Технические характеристики

Рабочий ток 10 mA
Волновое сопротивление 75 Ω
Диапазон рабочих частот 0 - 10 GHz
Рабочее напряжение (амплитудное) 500 V
Сопротивление контактов штырь-гнездо 10 mΩ
Сопротивление корпус-корпус 10 mΩ
Герметичность негерметичный

Условия эксплуатации

Интервал рабочих температур от -60 до +155°С
Климатическое исполнениеi В - всеклиматическое исполнение
Относительная влажность 98% при температуре +35°С
Макс. срок хранения 25 лет
Ресурс 500 сочленений-расчленений
Загрузка...
Принимаем заказы на товары,
не вошедшие в каталог

Пришлите маркировку необходимого вам товара.
Мы предоставим Вам наилучшие условия по поставке!

Оформить заявку

Недавно просмотренные товары

Принимаем к оплате
IP Electron в соцсетях