74 085 товаров в наличии и на заказ

Электронные компоненты и расходные материалы

$
Настройка отображения валюты
Полный каталог
Скидка на Конденсаторы
-20%

СР75-54ПВ Вилка кабельная прямая, байонетная (арт. ZA-226)

No name USSR; ВР0.364.009 ТУ; полиэтилен; гайка

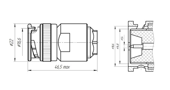
СР75-54ПВ Вилка кабельная – соединитель с байонетным способом сочленения. Предназначен для работы в электрических цепях радиочастотных трактов в диапазоне частот до 10000 МГц. Структура условного обозначения: СР – соединитель радиочастотный; 75 – величина волнового сопротивления (Ом); 54 – порядковый номер разработки; П – изоляционный материал (полиэтилен); В – всеклиматическое исполнение. Ответная часть (розетка приборная) СР75-11ПВ, СР75-55ПВ, СР75-66ПВ. Номинальный диаметр кабеля по изоляции 4,0 мм. Вся дополнительная информация находится во вложении на товар, см. pdf – файл.

Подробнее
Заметили
ошибку ?
Сообщите нам

Общая информация

Наименование СР75-54ПВ Вилка кабельная прямая, байонетная
Код ТНВЭД 8536508008
Торговая марка No name USSR
Страна изготовления СССР
Нормы и требования ВР0.364.009 ТУ, ГОСТ 20265-83
Дата изготовленияi 1976-1991
Вид приемки i "5"- ВП, ПЗ
Масса изделия, гр 62
Вид упаковки полиэт. пакет (1шт)
Состояние упаковки самоупаковка
Транслитерация SR75-54PV Straight cable plug
Наличие паспорта - этикетки нет

Основные параметры

Функциональная группа соединители
Функциональный тип высокочастотные соединители
Серия разъемов СР75
Тип разъема вилка
Ответная часть разъема СР75-11ПВ, СР75-55ПВ, СР75-66ПВ
Типономинал / Типоконструкция кабельная
Конструкция корпуса прямая
Материал корпуса латунь
Покрытие корпуса (Ni) никель
Вид контактов круглые
Тип контактов штырь
Диаметр контактов 1,4 mm
Количество контактов 1
Материал контактов бронза
Покрытие контактов Ag (серебро)
Конструктивное исполнение хвостовика гайка
Габаритные размеры L*W*H 22х46,5 mm
Материал изолятора полиэтилен
Цвет изолятора белый
Метод монтажа механический объемный монтаж
Метод монтажа электрический обжим
Метод сочленения байонетный
Размер монтажного отверстия 16,5 mm
Марки присоединяемых кабелей РК75-4-11, РК75-4-12, РК75-4-13, РК75-4-15, РК75-4-16
Диаметр присоединяемых кабелей 4,0 mm;
Фактическая маркировка СР75-54ПВ

Технические характеристики

Рабочий ток 10 mA
Волновое сопротивление 75 Ω
Диапазон рабочих частот 0 - 10 GHz
Рабочее напряжение (амплитудное) 500 V
Сопротивление контактов штырь-гнездо 10 mΩ
Сопротивление корпус-корпус 10 mΩ
Герметичность негерметичный

Условия эксплуатации

Интервал рабочих температур от -60 до +85°C
Климатическое исполнениеi В - всеклиматическое исполнение
Относительная влажность 98% при температуре +35°С
Макс. срок хранения 25 лет
Ресурс 500 сочленений-расчленений
Загрузка...
Принимаем заказы на товары,
не вошедшие в каталог

Пришлите маркировку необходимого вам товара.
Мы предоставим Вам наилучшие условия по поставке!

Оформить заявку

Недавно просмотренные товары

Принимаем к оплате
IP Electron в соцсетях