73 896 товаров в наличии и на заказ

Электронные компоненты и расходные материалы

$
Настройка отображения валюты
Полный каталог
Скидка на Конденсаторы
-20%

СР75-634ФВ Розетка кабельная прямая, врубная. (арт. TP-3777)

ПО Октябрь, Каменск-Уральский; ВР0.364.042 ТУ; фторопласт; гайка

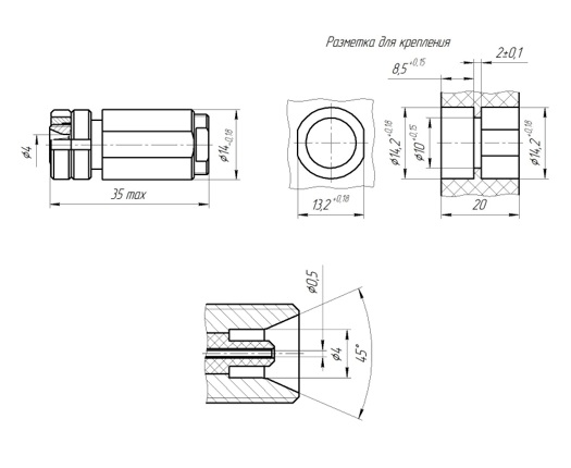
СР75-634ФВ Розетка кабельная – соединитель с врубным способом сочленения. Предназначен для работы в электрических цепях радиочастотных трактов в диапазоне частот до 10000 МГц. Структура условного обозначения: СР – соединитель радиочастотный; 75 – величина волнового сопротивления (Ом); 634 – порядковый номер разработки; Ф – изоляционный материал (фторопласт); В – всеклиматическое исполнение. Ответная часть (вилка кабельная) СР-75-633ФВ, СР-75-635ФВ, СР-75-636ФВ, СР-75- 638ФВ, СР-75-639ФВ, СР-75-632ФВ. Номинальный диаметр кабеля по изоляции 3,0 мм. Вся дополнительная информация находится во вложении на товар, см. pdf – файл.

Подробнее
Заметили
ошибку ?
Сообщите нам

Общая информация

Наименование СР75-634ФВ Розетка кабельная прямая, врубная.
Код ТНВЭД 8536508008
Торговая марка ИСЕТЬ, Каменск-Уральский
Страна изготовления РОССИЯ
Нормы и требования ВР0.364.042 ТУ, ГОСТ 20265-83
Дата изготовленияi 1992-1999
Вид приемки i "5"- ВП, ПЗ
Масса изделия, гр 26
Вид упаковки полиэт. пакет (1шт)
Состояние упаковки самоупаковка
Транслитерация SR75-634FV Straight cable socket, threaded
Наличие паспорта - этикетки нет

Основные параметры

Функциональная группа соединители
Функциональный тип высокочастотные соединители
Серия разъемов СР75
Тип разъема розетка
Ответная часть разъема СР-75-633ФВ, СР-75-635ФВ, СР-75-636ФВ, СР-75- 638ФВ, СР-75-639ФВ, СР-75-632ФВ
Типономинал / Типоконструкция кабельная
Конструкция корпуса прямая
Материал корпуса латунь
Покрытие корпуса (Ni) никель
Вид контактов круглые
Тип контактов гнездо
Диаметр контактов 4 mm
Количество контактов 1
Материал контактов бронза
Покрытие контактов Ag (серебро)
Конструктивное исполнение хвостовика гайка
Габаритные размеры L*W*H 14х35 mm
Материал изолятора фторопласт
Цвет изолятора белый
Метод монтажа механический объемный монтаж
Метод монтажа электрический обжим
Метод сочленения врубной
Размер монтажного отверстия 14 mm
Марки присоединяемых кабелей РК75-3-22
Диаметр присоединяемых кабелей 3,0 mm;
Фактическая маркировка СР75-634ФВ

Технические характеристики

Рабочий ток 10 mA
Волновое сопротивление 75 Ω
Диапазон рабочих частот 0 - 10 GHz
Рабочее напряжение (амплитудное) 500 V
Сопротивление контактов штырь-гнездо 10 mΩ
Сопротивление корпус-корпус 10 mΩ
Герметичность негерметичный

Условия эксплуатации

Интервал рабочих температур от -60 до +155°С
Климатическое исполнениеi В - всеклиматическое исполнение
Относительная влажность 98% при температуре +35°С
Макс. срок хранения 25 лет
Ресурс 500 сочленений-расчленений

Полные аналоги

Функциональные аналоги

Розетка кабельная СР-75-631ФВ Октябрь, фото
Розетка кабельная СР-75-631ФВ Октябрь
Розетка кабельная СР-75-637ФВ Октябрь, фото
Розетка кабельная СР-75-637ФВ Октябрь

Оставить отзыв

Оценка:
              
Преимущества *
Недостатки *
Комментарий *
Ваше Имя *
Эл. почта *
Введите текст с картинки:
* Поля для обязательного заполнения
Отзыв будет опубликован после проверки модератором
Принимаем заказы на товары,
не вошедшие в каталог

Пришлите маркировку необходимого вам товара.
Мы предоставим Вам наилучшие условия по поставке!

Оформить заявку

Недавно просмотренные товары

Принимаем к оплате
IP Electron в соцсетях