74 083 товаров в наличии и на заказ

Электронные компоненты и расходные материалы

$
Настройка отображения валюты
Полный каталог
Скидка на Конденсаторы
-20%

Д13-14В Дроссель низкочастотный, АУБК.671340.001ТУ (арт. KT-1302)

Д13-14В Дроссель - Предназначены для фильтрации выходных напряжений ключевых стабилизаторов.Могут применяться также в качестведросселей фильтров выпрямителей, любых других электрических цепях с напряжением до 210В. Рабочая частота 0,05-200 кГц. Конструктивно выпускаются корпусные - вариант "В" и бескорпусные - вариант "Б". Вся дополнительная информация находится во вложении на товар, см. pdf-файл.

Подробнее
Заметили
ошибку ?
Сообщите нам

Общая информация

Наименование Д13-14В Дроссель низкочастотный, АУБК.671340.001ТУ
Торговая марка ООО СТС, В.Новгород
Страна происхождения РОССИЯ
ТУ АУБК.671340.001ТУ
ГОСТ ГОСТ В 20.39.404-81
Вид приемки i "1"- ОТК
Масса изделия, гр 13,58
Дата выпуска 2025
Транслитерация D13-14V Low-frequency throttle, AUBK.671340.001TU
Наличие паспорта - этикетки нет
Состояние упаковки самоупаковка

Основные параметры

Функциональная группа Дроссель низкочастотный
Функциональный тип дроссель
Цвет изделия черный
Длина выводов 9 mm
Метод монтажа THT (выводной)
Рабочее положение любое
Фактическая маркировка Д13-14
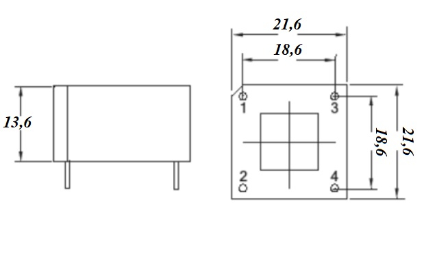
Габаритные размеры L*W*H 13,6х21,6х21,6 mm
Высота корпуса 13,6 mm
Материал выводов, контактов латунь
Покрытие выводов или контактов лужение
Покрытие корпуса без покрытия

Технические характеристики

Рабочая частота 0,05 - 200 kHz
Ток подмагничивания 4 А
Индуктивность 0,050 µH

Условия эксплуатации

Интервал рабочих температур от -400 до +850°C
Минимальная наработка 60000 час.
Климатическое исполнениеi УХЛ
Минимальный срок сохраняемости, лет 25

Оставить отзыв

Оценка:
              
Преимущества *
Недостатки *
Комментарий *
Ваше Имя *
Эл. почта *
Введите текст с картинки:
* Поля для обязательного заполнения
Отзыв будет опубликован после проверки модератором
Принимаем заказы на товары,
не вошедшие в каталог

Пришлите маркировку необходимого вам товара.
Мы предоставим Вам наилучшие условия по поставке!

Оформить заявку

Недавно просмотренные товары

Принимаем к оплате
IP Electron в соцсетях