74 009 товаров в наличии и на заказ

Электронные компоненты и расходные материалы

$
Настройка отображения валюты
Полный каталог
Скидка на Конденсаторы
-20%

ЛЗТ-0,2-600В-10 Линия задержки (арт. KT-350)

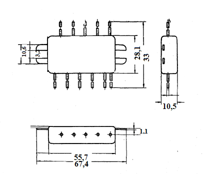
Линия задержки ЛЗТ-0.2-600В-10 модульная теплостойкая с сосредоточенными параметрами с 10 LC-звеньями на волновое сопротивление 600 Ом и временем задержки сигнала 0,2 мкс. Предназначена для задержки электрических и электромагнитных сигналов на заданный фиксированный промежуток времени в аппаратуре общепромышленного и специального назначения. Линия задержки ЛЗТ-0.2-600В-10 применяется в радиоэлектронике, в радиолокации и радионавигации, в измерительной технике вычислительной технике и автоматике, электроакустике, технике связи. Расшифровка ЛЗТ-0.2-600В-10: Л - линия, З - задержки; Т - теплостойкая; 0.2 - задержка сигнала в микросекундах; 600 - волновое сопротивление в омах; 10 - цифра, указывающая на количество звеньев LC-фильтров. Вся дополнительная информация находится во вложении на товар, см. pdf-файл.

Подробнее
Заметили
ошибку ?
Сообщите нам

Общая информация

Наименование ЛЗТ-0,2-600В-10 Линия задержки
Торговая марка ПО КЕЧАРК, Раздан
Страна происхождения СССР
ТУ ГИ0.206.004ТУ
Вид приемки i "1"- ОТК
Масса изделия, гр 31,6
Дата выпуска 1981
Транслитерация LZT-0.2-600V-10, Delay line
Наличие паспорта - этикетки нет
Состояние упаковки самоупаковка

Основные параметры

Функциональная группа трансформаторы
Функциональный тип линии задержки
Цвет изделия зеленый
Метод монтажа в плату
Рабочее положение любое
Материал корпуса керамика
Габаритные размеры L*W*H 67,4х28,8х10,5 mm
Высота корпуса 10,2 mm
Длина выводов 15.4 mm

Технические характеристики

Время задержки t, мкс 0,2 mks
Волновое сопротивление 600 Ω

Условия эксплуатации

Интервал рабочих температур от -60 до +150°С
Минимальная наработка 5000 час.
Климатическое исполнениеi В - всеклиматическое исполнение

Оставить отзыв

Оценка:
              
Преимущества *
Недостатки *
Комментарий *
Ваше Имя *
Эл. почта *
Введите текст с картинки:
* Поля для обязательного заполнения
Отзыв будет опубликован после проверки модератором
Принимаем заказы на товары,
не вошедшие в каталог

Пришлите маркировку необходимого вам товара.
Мы предоставим Вам наилучшие условия по поставке!

Оформить заявку

Похожие товары

Артикул (ID): BV-4939
ЛЗЯМ 0,47-1150, Линия задержки.
  • 75 1 шт.
Артикул (ID): BV-4935
ЛЗЯМ 0,27-900, Линия задержки.
  • 75 1 шт.
Артикул (ID): TF-1728
ЛЗС 0,5-600В-10 Линия задержки, ГИ0.206.004ТУ
  • 81 1 шт.
Артикул (ID): TB-9654
ЛЗЯС 0.33-1000 Линия задержки
Артикул (ID): TB-8700
ЛЗЯ-0,33 Линия задержки. АЯЦ.434825.001ТУ,
  • 39 1 шт.
  • 32 от 5 шт.
Артикул (ID): TB-8698
ЛЗЯ-0,33 Линия задержки. АЯЦ.434825.001ТУ.
  • 39 1 шт.
  • 32 от 5 шт.
Артикул (ID): TB-8466
УЛЗ 64-5 Линия задержки.
  • 72 1 шт.
Артикул (ID): TB-8465
УЛЗ 64-5 Линия задержки
  • 72 1 шт.
Артикул (ID): KK-08732
ЛЗТ-2,0-600|||1985|Кечарк(г.Раздан)|5%20, 22 вывода
  • 68 1 шт.
Артикул (ID): KK-08731
ЛЗТ-1,0-600|||1989|Кечарк(г.Раздан)|10%10, 12 выводов
  • 85 1 шт.
Артикул (ID): KT-1274
ЛЗТ 2,0-1200В-10 Линия задержки
  • 405 1 шт.
Артикул (ID): KT-684
ЛЗС 1.0-1200В-10 Линия задержки
  • 315 1 шт.
Артикул (ID): KT-625
ЛЗТ 1,0-600В-10 Линия задержки
  • 315 1 шт.
Артикул (ID): KT-624
ЛЗТ 1,0-1200В-10 Линия задержки
  • 315 1 шт.
Артикул (ID): KT-623
ЛЗТ-0,2-600В-20 Линия задержки
  • 405 1 шт.

Недавно просмотренные товары

Принимаем к оплате
IP Electron в соцсетях