74 101 товара в наличии и на заказ

Электронные компоненты и расходные материалы

$
Настройка отображения валюты
Полный каталог
Скидка на Конденсаторы
-20%

АД-6А-7 Амортизатор демпфированный опорный, Ruichi (арт. KT-539)

Амортизатор демпфированный опорный АД-6А-7 предназначен для защиты аппаратуры от вибрационных и ударных нагрузок, приложенных вертикально. Амортизатор используется в тяжелой, авиационной и нефтегазовой промышленности.В корпусе амортизатора находятся две основных составляющих, обеспечивающих защиту от вибрации и ударных нагрузок. Основное демпфирующее устройство — резиновая камера (баллон). Снизу баллон привулканизирован к металлическому фланцу с калиброванным отверстием. Диаметр отверстия рассчитан таким образом, чтобы при нагрузках, проходящий через отверстие воздух, задерживался создавая эффект трения. Вся дополнительная информация находится во вложении на товар, см. pdf-файл

Подробнее
Заметили
ошибку ?
Сообщите нам

Общая информация

Наименование АД-6А-7 Амортизатор демпфированный опорный, Ruichi
Торговая марка RUICHI
Страна изготовления КИТАЙ
Масса изделия, гр 48,8
Дата изготовленияi дата не указана
Наличие паспорта - этикетки нет
Транслитерация ad-6a-7-amortizator-dempfirovannyj-opornyj,-ruichi
Состояние упаковки заводская

Основные параметры

Функциональная группа Установочные изделия
Функциональный тип амортизаторы
Серия амортизатора АД
Тип амортизатора демпфированный опорный
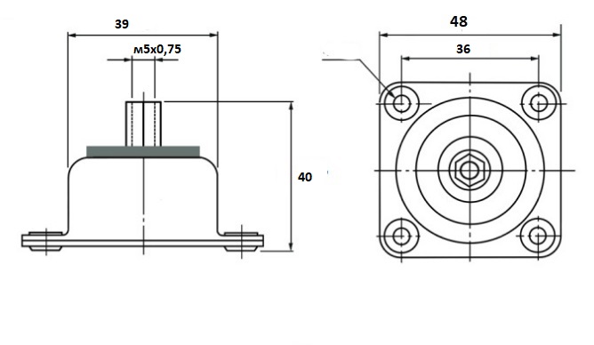
Габаритные размеры L*W*H 48х48х42 mm
Размер основания 48х48 mm
Длина амортизатора 48 mm
Ширина амортизатора 48 mm
Высота амортизатора 42 mm
Диаметр корпуса 39 mm
Метод монтажа механический на панель
Диаметр установочного отверстия 5 mm
Установочные размеры 36 mm
Материал корпуса металл (стальная арматура)+резина (на основе НК - натурального каучука)
Цвет изделия серый
Размер резьбы М5х0,75
Глубина резьбы не менее 12 mm
Фактическая маркировка АД6А7
Другие наименования демпфер, модератор тяги, гаситель колебаний, гаситель вибраций, амортизатор приборный

Технические характеристики

Диапазон частот 15-80 Hz
Нагрузка минимальная 49 N (5 kGs)
Нагрузка средняя 58 N (6 kGs)
Нагрузка максимальная 68 N (7 kGs)

Условия эксплуатации

Интервал рабочих температур от -60 до +70°C
Относительная влажность 95 - 98% при температуре 20°С
Загрузка...
Принимаем заказы на товары,
не вошедшие в каталог

Пришлите маркировку необходимого вам товара.
Мы предоставим Вам наилучшие условия по поставке!

Оформить заявку

Недавно просмотренные товары

Принимаем к оплате
IP Electron в соцсетях