74 132 товаров в наличии и на заказ

Электронные компоненты и расходные материалы

$
Настройка отображения валюты
Полный каталог
Скидка на Конденсаторы
-20%

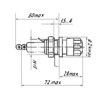
Уценка ДВП8 Держатель вставки плавкой (предохранителя) 8х50mm, на панель, аминопласт, КДПА.646116.002ТУ (арт. BV-6358)

ОАО «Сейм» Путивль; 10 A; 250 V; на панель, крепление корпуса винтовое; закрытого типа

Причина уценки: без пружины. Держатель вставки плавкой (предохранителя) ДВП8 предназначен для работы в электрических сетях с напряжением до 250 В постоянного и переменного тока в аппаратуре общепромышленного и специального назначения. ДВП8: ДВП – Серия держателя: ДВП - держатель вставки плавкой. 8 – Типоразмер вставки плавкой (8х50мм). Вся дополнительная информация находится в pdf - файле.

Подробнее
Заметили
ошибку ?
Сообщите нам

Общая информация

Наименование Уценка ДВП8 Держатель вставки плавкой (предохранителя) 8х50mm, на панель, аминопласт, КДПА.646116.002ТУ
Торговая марка ОАО «Сейм» Путивль
Страна изготовления УКРАИНА
Дата изготовленияi 1992-1999
Нормы и требования КДПА.646116.002ТУ.
Вид приемки i "1"- ОТК
Масса изделия, гр 25
Наличие паспорта - этикетки нет
Транслитерация DVP8 holder of the fusible insert (fuse) 8x50mm, on the panel, aminoplast, KDPA.646116.002TU
Состояние упаковки самоупаковка

Основные характеристики

Функциональная группа Установочные изделия
Функциональный тип держатель вставки плавкой
Вид держателя предохранителя закрытого типа
Серия держателя предохранителя ДВП
Серия устанавливаемых вставок плавких ВПБ6-27...42; ВПТ6-27...42
Размер устанавливамых вставок плавких 8х50 mm
Метод монтажа механический на панель, крепление корпуса винтовое
Метод монтажа электрический пайка
Установочные размеры Ø 18,2 mm
Материал корпуса аминопласт
Цвет корпуса черный
Материал контактов латунь
Покрытие контактов Ag (серебро)
Толщина панели 1,5 - 8 mm
Фиксация крышки предохранителя байонетная
Материал гайки металл
Габаритные размеры L*W*H 72x24 mm
Другие наименования держатель, держатель предохранителя…
Фактическая маркировка ДВП8

Технические характеристики

Номинальный ток 10 A
Номинальное напряжение 250 V
Сопротивление изоляции 1000 MΩ
Сопротивление контактов не более 5 mΩ
Электрическая прочность изоляции 1500 V
Частота тока 50 - 4000 Hz

Условия эксплуатации

Интервал рабочих температур от -60 до +85°C
Ресурс 400 циклов
Климатическое исполнениеi УХЛ
Минимальная наработка 10 000 час.
Относительная влажность 98% при температуре +35°С
Макс. срок хранения 15 лет

Полные аналоги

Функциональные аналоги

Возможные аналоги

Оставить отзыв

Оценка:
              
Преимущества *
Недостатки *
Комментарий *
Ваше Имя *
Эл. почта *
Введите текст с картинки:
* Поля для обязательного заполнения
Отзыв будет опубликован после проверки модератором
Принимаем заказы на товары,
не вошедшие в каталог

Пришлите маркировку необходимого вам товара.
Мы предоставим Вам наилучшие условия по поставке!

Оформить заявку

Похожие товары

Артикул (ID): TN-521
ДВП8 Держатель вставки плавкой (предохранителя) 8х50mm, на панель, аминопласт, га0.481.021ТУ
  • 630 1 шт.
Артикул (ID): TM-8626
ДВП8 Держатель вставки плавкой (предохранителя) 8х50mm, на панель, карболит, 1992,
  • 765 1 шт.
Артикул (ID): ZR-793
ДВП4-1 Держатель вставки плавкой (предохранителя) 4х15mm, на панель, карболит
  • 649.53 1 шт.
  • 649.53 от 10 шт.
Артикул (ID): ZR-780
ZH252 Держатель вставки плавкой (предохранителя) 5х20 mm
  • 38 1 шт.
  • 38 от 10 шт.
  • 38 от 100 шт.
Артикул (ID): BV-5979
ДВП8В Держатель вставки плавкой (предохранителя) 8х50mm, на панель, аминопласт, КДПА.646116.003ТУ
  • 850 1 шт.
Артикул (ID): BV-6010
ДВП8 Держатель вставки плавкой (предохранителя) 8х50mm, на панель, аминопласт, КДПА.646116.002ТУ
  • 630 1 шт.
Артикул (ID): BV-6359
Уценка ДВП8 Держатель вставки плавкой (предохранителя) 8х50mm, на панель, аминопласт, КДПА.646116.002ТУ.
  • 630 1 шт.
Артикул (ID): BV-6360
Уценка ДВП8 Держатель вставки плавкой (предохранителя) 8х50mm, на панель, аминопласт, КДПА.646116.002ТУ..
  • 630 1 шт.
Артикул (ID): KK-16404
ДПК1-1|карб.|5|1986|Сейм|мет.гайка
  • 306 1 шт.
Артикул (ID): KK-16405
ДПК1-1|карб.|5|1990|Сейм|мет.гайка
  • 374 1 шт.
Артикул (ID): KK-16406
ДПК1-1|карб.||1991|Сейм|мет.гайка
  • 340 1 шт.
Артикул (ID): KK-16407
ДПК1-1|карб.||1992|Сейм|мет.гайка
  • 340 1 шт.
Артикул (ID): KK-16775
ДВП4-2В|карб.|5|2016|Сейм|з/уп
  • 425 1 шт.
Артикул (ID): CC-12514
Держатель предохранителей S1038-5
  • 62.87 1 шт.
Артикул (ID): ZL-5126
ДВП4-3 Держатель вставки плавкой (предохранителя) 7,2х30mm, на панель, карболит, 2020
  • 677.15 1 шт.
  • 677.15 от 10 шт.

Недавно просмотренные товары

Принимаем к оплате
IP Electron в соцсетях