74 083 товаров в наличии и на заказ

Электронные компоненты и расходные материалы

$
Настройка отображения валюты
Полный каталог
Скидка на Конденсаторы
-20%

ZRS M32W 15-20 mm Кабельный ввод резиновый, белый (арт. ZA-9154)

Кабельный ввод; EPDM; 15 - 20 mm; -

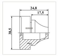
ZRS M32W 15-20 mm Кабельный ввод резиновый, белый из этилен-пропиленового каучука (EPDM), обеспечивающий степень защиты IP67. Размер: M32. Диаметр кабеля: 15-20 мм. Толщина стенки, мм: 1-4. Вся дополнительная информация находится во вложении на товар, см. pdf - файл.

Подробнее
Заметили
ошибку ?
Сообщите нам

Общая информация

Наименование ZRS M32W 15-20 mm Кабельный ввод резиновый, белый
Торговая марка ZTM-ELECTRO
Страна происхождения КИТАЙ
Масса изделия, гр 13
Дата выпуска дата не указана
Состояние упаковки заводская

Основные параметры

Функциональная группа Кабельный аксессуар
Функциональный тип Кабельный ввод
Серия кабельного ввода M32W
Вид кабельного ввода резиновый
Метод монтажа механический на панель
Длина контактной части 12 mm
Диаметр посадочного отверстия 32 mm
Наличие изолятора нет
Материал корпуса EPDM
Цвет корпуса белый
Покрытие корпуса без покрытия
Вид резьбы M32
Длина кабельного ввода 24,8 mm
Наружный диаметр кабеля/провода 15 - 20 mm
Фактическая маркировка отсутствует
Разборная цанга нет

Условия эксплуатации

Степень защиты IPi IP67
Класс горючести UL94V-0
Интервал рабочих температур от -40 до +110°С
Срок отгрузки со склада 5-7 рабочих дней
Область применения стационарное оборудование (монтажные шкафы, распределит. коробки и тд.); передвижное оборудование

Полные аналоги

M32W RUICHI, фото
M32W RUICHI
M32W  Schneider Electric, фото
M32W Schneider Electric
M32W AVC, фото
M32W AVC

Функциональные аналоги

M32G RUICHI, фото
M32G RUICHI
M32B  Schneider Electric, фото
M32B Schneider Electric
M32G AVC, фото
M32G AVC
M32B RUICHI, фото
M32B RUICHI

Возможные аналоги

FEM 15-20 NEW FIBOX, фото
FEM 15-20 NEW FIBOX
100307 TRELLEBORG, фото
100307 TRELLEBORG
FEM 11-17 FIBOX, фото
FEM 11-17 FIBOX
LTG-39897 RICHCO, фото
LTG-39897 RICHCO
Загрузка...
Принимаем заказы на товары,
не вошедшие в каталог

Пришлите маркировку необходимого вам товара.
Мы предоставим Вам наилучшие условия по поставке!

Оформить заявку

Похожие товары

Артикул (ID): ZA-9945
MGB32-25B 17-25 mm Кабельный ввод(гермоввод) сальник черный
Артикул (ID): ZA-9950
MGB40-30G 23-32 mm Кабельный ввод(гермоввод) сальник серый
  • 240.69 1 шт.
  • 240.69 от 10 шт.
  • 240.69 от 100 шт.
Артикул (ID): ZA-9960
N-MGW25-21G 22 mm Кабельный ввод (фитинг) серый
  • 115.26 1 шт.
  • 115.26 от 10 шт.
  • 115.26 от 100 шт.
Артикул (ID): ZA-9112
PGB29-25B 17-25 mm Кабельный ввод(гермоввод), сальник черный
Артикул (ID): ZP-2652
PG7 4-8 mm Кабельный ввод(гермоввод) с вентиляцией, сальник серый
  • 69.95 1 шт.
  • 69.95 от 10 шт.
  • 69.95 от 100 шт.
Артикул (ID): CC-12016
Кабельный ввод KLS8-0607-PG-18
  • 14.06 1 шт.
Артикул (ID): ZQ-2542
CE-M20-(8-12)-MH20 Кабельный ввод(гермоввод)
  • 467.1 1 шт.
  • 467.1 от 10 шт.
  • 467.1 от 100 шт.
Артикул (ID): ZR-1166
M(G)63 (38-46) Кабельный ввод(гермоввод), сальник серый
  • 117.6 1 шт.
  • 117.6 от 10 шт.
  • 117.6 от 100 шт.
Артикул (ID): ZR-1167
M(G)63 (38-46) Кабельный ввод(гермоввод) сальник, черный
  • 134.4 1 шт.
  • 134.4 от 10 шт.
Артикул (ID): ZR-1194
MG63 40-50 mm Кабельный ввод(гермоввод), сальник черный
  • 183 1 шт.
Артикул (ID): ZE-9844
MG12A-08B 4,5-8 mm Кабельный ввод(гермоввод), сальник черный
  • 30.81 1 шт.
  • 30.81 от 10 шт.
  • 30.81 от 100 шт.
Артикул (ID): ZM-3084
PG7 уплотнитель кабельного ввода
  • 0.47 1 шт.
  • 0.47 от 10 шт.
  • 0.47 от 100 шт.
Артикул (ID): ZA-9007
MG40A-30G 24-30 mm Кабельный ввод(гермоввод), сальник серый
  • 213.86 1 шт.
Артикул (ID): ZR-1178
MG16 4-8 mm Кабельный ввод(гермоввод), сальник металл
  • 80.03 1 шт.
  • 80.03 от 10 шт.
  • 80.03 от 100 шт.
Артикул (ID): CC-12259
Кабельный ввод PG16 (IP 54) Серый
  • 15.79 1 шт.

Недавно просмотренные товары

Принимаем к оплате
IP Electron в соцсетях