74 052 товаров в наличии и на заказ

Электронные компоненты и расходные материалы

$
Настройка отображения валюты
Полный каталог
Скидка на Конденсаторы
-20%

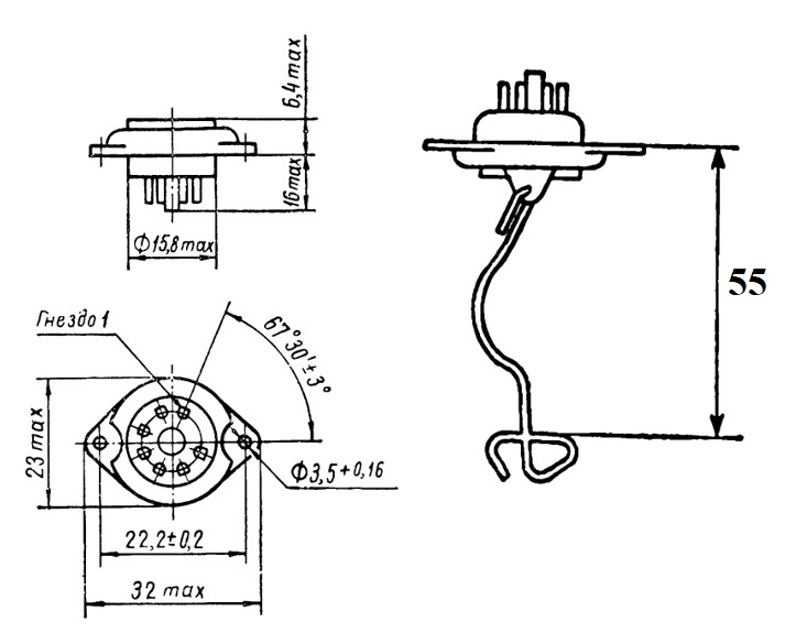
ПЛК7-Д55 Панель ламповая, ОЖ 4.812.003 ТУ (арт. TB-8752)

Панель ламповая ПЛК7-Д55 миниатюрная в керамическом корпусе с неэкранированным ламподержателем для установки на шасси в оборудовании. Предназначена для крепления и подключения 7-ми штырьковых электровакуумных приборов с расположением штырьков РШ4 в радиоэлектронной аппаратуре бытового, общепромышленного и специального назначения. Расшифровка маркировки ламповой панели: ПЛК - панель ламповая в керамическом исполнении; 7 - количество гнезд по числу штырьков на корпусе лампы; Д - тип ламподержателя - неэкранированный; 55 - число, определяющее высоту ламподержателя в миллиметрах; Т - климатическое исполнение: «Т» - тропическое, отсутствие буквы - исполнение «УХЛ». Вся дополнительная информация находится во вложении на товар, см. pdf - файл.

Подробнее
Заметили
ошибку ?
Сообщите нам

Общая информация

Наименование ПЛК7-Д55 Панель ламповая, ОЖ 4.812.003 ТУ
Торговая марка Завод Радиокерамики, Южно-Уральск
Страна происхождения СССР
Дата выпуска 1990
Вид приемки i "5"- ВП, ПЗ
ТУ ОЖ 4.812.003 ТУ
Масса изделия, гр 8,78
Состояние упаковки самоупаковка
Наличие паспорта - этикетки нет
Транслитерация PLK7-D55 Lamp Panel

Основные параметры

Типономинал / Типоконструкция 7 контактный
Материал вставки (изолятора) керамика
Фактическая маркировка ПЛК7-Д55
Метод монтажа навесной
Рабочее положение любое
Цвет изделия белый
Габаритные размеры L*W*H 68х23 mm
Высота корпуса 9 mm
Минимальный срок сохраняемости, лет 11

Технические характеристики

Рабочее напряжение 600 V
Сопротивление изоляции 1000 MΩ
Сопротивление контактов не более 0,01 Ω

Условия эксплуатации

Интервал рабочих температур от -60 до +100°C
Загрузка...
Принимаем заказы на товары,
не вошедшие в каталог

Пришлите маркировку необходимого вам товара.
Мы предоставим Вам наилучшие условия по поставке!

Оформить заявку

Недавно просмотренные товары

Принимаем к оплате
IP Electron в соцсетях