74 044 товаров в наличии и на заказ

Электронные компоненты и расходные материалы

$
Настройка отображения валюты
Полный каталог
Скидка на Конденсаторы
-20%

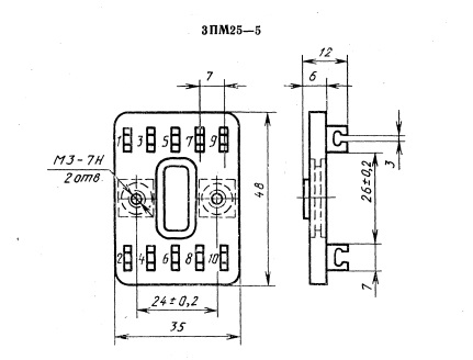
3ПМ25-5 5пар, 2 ряда, 10 контактов, шаг 7mm, 5A(Ампер) 1000V(Вольт) Плата монтажная, карболит ГОСТ 28821-90. (арт. TN-6722)

No name USSR; " 1" - ОТК; пайка; клеммная колодка, клеммная плата; 4ПМ..., 4ПС…, ПС...

3ПМ25-5 10 контактов - Плата монтажная, карболит.  Структура условного обозначения:  3 - конструктивное исполнение (исполнение 1 - не указывается); ПМ - обозначение типа: ПМ - плата монтажная; 25 - цифра, определяющая на типоразмер платы; 5 - число, указывающая на количество пар контактов. 10 (2 ряда по 5) контактов. Предназначена для соединения электрических цепей постоянного, переменного и импульсного тока при внутреннем объёмном монтаже радиоэлектронной аппаратуры. Соединительные платы используются как промежуточные переходные элементы для электрического соединения узлов и блоков аппаратуры общепромышленного и специального назначения. Вся дополнительная информация находится во вложении на товар, см. pdf – файл.

Подробнее
Заметили
ошибку ?
Сообщите нам

Общая информация

Наименование 3ПМ25-5 5пар, 2 ряда, 10 контактов, шаг 7mm, 5A(Ампер) 1000V(Вольт) Плата монтажная, карболит ГОСТ 28821-90.
Торговая марка No name USSR
Страна изготовления СССР
Нормы и требования ГОСТ 28821-90, ОСТ 107.680225.001-86
Вид приемки i "1"- ОТК
Масса изделия, гр 14,1
Дата изготовленияi 1976-1991
Наличие паспорта - этикетки нет
Транслитерация 3PM25-5 5 pairs, 2 rows, 10 contacts, 7mm pitch, 5A(Ampere) 1000V(Volt) Mounting plate, carbonite GOST 28821-90.
Вид упаковки картонная коробка
Состояние упаковки заводская

Основные параметры

Функциональная группа Установочные изделия
Функциональный тип платы монтажные, соединительные
Серия плат 3ПМ25
Способ подключения проводов пайка
Вид контактов лепесток
Количество контактов 10
Материал контактов латунь
Покрытие контактов лужение
Количество пар контактов 5
Количество рядов контактов 2
Шаг контактов в ряду 7 mm
Шаг между рядами контактов 26 mm
Метод монтажа механический на панель
Метод монтажа электрический пайка
Диаметр установочного отверстия 3,6 mm
Установочные размеры 24 mm расстояние между монтажными отверстиями
Материал изолятора карболит (фенопласт)
Габаритные размеры L*W*H 48х35х12 mm
Длина корпуса 48 mm
Ширина корпуса 35 mm
Цвет платы коричневый
Тип платы односторонняя
Основание жесткое
Наличие прокладки для платы нет
Фактическая маркировка 3ПМ25-5
Рабочее положение горизонтальное
Аналогичные серии 4ПМ..., 4ПС…, ПС...
Другие наименования клеммная колодка, клеммная плата

Технические характеристики

Рабочее напряжение, max 1000 V
Рабочий ток, max 5 A

Условия эксплуатации

Интервал рабочих температур от -60 до +100°С
Климатическое исполнениеi УХЛ
Загрузка...
Принимаем заказы на товары,
не вошедшие в каталог

Пришлите маркировку необходимого вам товара.
Мы предоставим Вам наилучшие условия по поставке!

Оформить заявку

Похожие товары

Артикул (ID): TN-3645
3ПМ20-5 5 пар, 2 ряда, 10 контактов, шаг 9mm, 5A(Ампер) 1000V(Вольт) Плата монтажная, карболит ГОСТ 28821-90.
  • 138 1 шт.
  • 125 от 10 шт.
  • 97 от 100 шт.
Артикул (ID): TW-6491
3ПМ20-11 11 пар, 2ряда, 22 контакта, шаг 9mm, 5A(Ампер) 1000V(Вольт) Плата монтажная, карболит ГОСТ 28821-90.
  • 134 1 шт.
  • 99 от 10 шт.
  • 88 от 100 шт.
Артикул (ID): SN-7364
3ПМ26-21 21 пара, 4 ряда, 42 контакта, шаг 7mm, 5A(Ампер) 1000V(Вольт) Плата монтажная, карболит ГОСТ 28821-90
Артикул (ID): SN-7368
ПМ19-22 22 контакта, шаг 7mm, 5A(Ампер) 1000V(Вольт) Плата монтажная, карболит ГОСТ 28821-90
  • 155 1 шт.
Артикул (ID): CC-09479
Интерфейсная плата 7820000404 RS HNY-DIDO-DSUB- ADPT RU
  • 764.81 1 шт.
Артикул (ID): CC-09492
Интерфейсная плата 7820000709 RS 16DO- FBM242 HP RU
  • 1697.88 1 шт.
Артикул (ID): CC-09538
Интерфейсная плата 7828544446 RS 8AI PWR RU
  • 2294.43 1 шт.
Артикул (ID): CC-09745
Монтажная плата 2502540000 WPD 130 1X50/1X50 BL
  • 132.57 1 шт.
Артикул (ID): CC-09818
Печатная плата 1171090000 SAMPLE LP CH20M6
  • 364.2 1 шт.
Артикул (ID): CC-09840
Печатная плата 7508002111 2PR23798A
  • 364.2 1 шт.
Артикул (ID): CC-07415
Разъём 3ПС19-6
  • 33.89 1 шт.
Артикул (ID): CC-07416
Разъём 3ПМ22-5
  • 64.57 1 шт.
Артикул (ID): CC-11394
Разъём 3ПС18-12
  • 85.11 1 шт.
Артикул (ID): CC-11395
Разъём 3ПМ25-5
  • 126.77 1 шт.
Артикул (ID): BV-6361
ПС2-6 6 пар, 2 ряда, 12 контактов, шаг 12mm, 5A(Ампер) 1000V(Вольт) Плата соединительная, карболит ГОСТ 28821-90.
  • 180 1 шт.

Недавно просмотренные товары

Принимаем к оплате
IP Electron в соцсетях