74 082 товаров в наличии и на заказ

Электронные компоненты и расходные материалы

$
Настройка отображения валюты
Полный каталог
Скидка на Конденсаторы
-20%

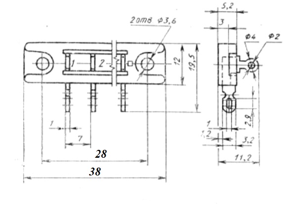
3ПС12-3 3 пары, 2 ряда, 6 контактов, шаг 5mm, 5A(Ампер) 600V(Вольт) Плата соединительная, карболит ГОСТ 28821-90 (арт. KT-3655)

No name USSR; " 1" - ОТК; пайка; клеммная колодка, клеммная плата; 4ПМ..., 4ПС…, ПС...

3ПC12 3 пары контактов - Плата соединительная, карболит. Структура условного обозначения:  3 - конструктивное исполнение (исполнение 1 - не указывается); ПС - обозначение типа - плата соединительная; 12 - порядковый номер разработки; 3 - количество пары контактов. Предназначена для соединения электрических цепей постоянного, переменного и импульсного тока при внутреннем объёмном монтаже радиоэлектронной аппаратуры. Соединительные платы используются как промежуточные переходные элементы для электрического соединения узлов и блоков аппаратуры общепромышленного и специального назначения. Вся дополнительная информация находится во вложении на товар, см. pdf – файл.

Подробнее
Заметили
ошибку ?
Сообщите нам

Общая информация

Наименование 3ПС12-3 3 пары, 2 ряда, 6 контактов, шаг 5mm, 5A(Ампер) 600V(Вольт) Плата соединительная, карболит ГОСТ 28821-90
Торговая марка No name USSR
Страна изготовления СССР
Нормы и требования ГОСТ 28821-90, ОСТ 107.680225.001-86
Вид приемки i "1"- ОТК
Масса изделия, гр 4
Дата изготовленияi 1976-1991
Наличие паспорта - этикетки нет
Транслитерация 3PS12-3 3 pairs, 2 rows, 6 contacts, pitch 5mm, 5A(Ampere) 600V(Volt) Connecting board, carbolite GOST 28821-90
Вид упаковки картонная коробка (50шт)
Состояние упаковки заводская

Основные параметры

Функциональная группа Установочные изделия
Функциональный тип платы монтажные, соединительные
Серия плат 3ПС12
Способ подключения проводов пайка
Вид контактов лепесток
Количество контактов 3
Материал контактов латунь
Покрытие контактов лужение
Количество пар контактов 6
Количество рядов контактов 2
Шаг контактов в ряду 7 mm
Метод монтажа механический на панель
Метод монтажа электрический пайка
Диаметр установочного отверстия 3,6 mm
Установочные размеры 28 mm расстояние между монтажными отверстиями
Материал изолятора карболит (фенопласт)
Габаритные размеры L*W*H 38х19,5х5,2 mm
Длина корпуса 38 mm
Ширина корпуса 5,2 mm
Цвет платы коричневый
Основание жесткое
Наличие прокладки для платы нет
Фактическая маркировка 3ПС12-3
Рабочее положение любое
Аналогичные серии 4ПМ..., 4ПС…, ПС...
Другие наименования клеммная колодка, клеммная плата

Технические характеристики

Рабочее напряжение, max 600 V
Рабочий ток, max 5 A

Условия эксплуатации

Интервал рабочих температур от -60 до +100°С
Климатическое исполнениеi УХЛ
Загрузка...
Принимаем заказы на товары,
не вошедшие в каталог

Пришлите маркировку необходимого вам товара.
Мы предоставим Вам наилучшие условия по поставке!

Оформить заявку

Похожие товары

Артикул (ID): TW-6510
3ПС18-12 12 пар, 2 ряда, 24 контакта, шаг 11mm, 10A(Ампер) 1000V(Вольт) Плата соединительная, карболит ГОСТ 28821-90.
  • 117 1 шт.
Артикул (ID): TW-6517
3ПС10-6 6 пар, 2 ряда, 12 контактов, шаг 7mm, 5A(Ампер) 600V(Вольт) Плата соединительная, карболит ГОСТ 28821-90.
Артикул (ID): SN-6979
3ПС6-6 6 пар, 2 ряда, 12 контактов, шаг 7mm, 8A(Ампер) 600V(Вольт) Плата соединительная, карболит ГОСТ 28821-90
Артикул (ID): KK-13646
3ПМ25-5|карб.||1991|Термопласт|з/уп
  • 76.5 1 шт.
Артикул (ID): CC-09479
Интерфейсная плата 7820000404 RS HNY-DIDO-DSUB- ADPT RU
  • 764.81 1 шт.
Артикул (ID): CC-09492
Интерфейсная плата 7820000709 RS 16DO- FBM242 HP RU
  • 1697.88 1 шт.
Артикул (ID): CC-09538
Интерфейсная плата 7828544446 RS 8AI PWR RU
  • 2294.43 1 шт.
Артикул (ID): CC-09745
Монтажная плата 2502540000 WPD 130 1X50/1X50 BL
  • 132.57 1 шт.
Артикул (ID): CC-09818
Печатная плата 1171090000 SAMPLE LP CH20M6
  • 364.2 1 шт.
Артикул (ID): CC-09840
Печатная плата 7508002111 2PR23798A
  • 364.2 1 шт.
Артикул (ID): CC-07415
Разъём 3ПС19-6
  • 33.89 1 шт.
Артикул (ID): CC-07416
Разъём 3ПМ22-5
  • 64.57 1 шт.
Артикул (ID): CC-11394
Разъём 3ПС18-12
  • 85.11 1 шт.
Артикул (ID): CC-11395
Разъём 3ПМ25-5
  • 126.77 1 шт.
Артикул (ID): BV-6361
ПС2-6 6 пар, 2 ряда, 12 контактов, шаг 12mm, 5A(Ампер) 1000V(Вольт) Плата соединительная, карболит ГОСТ 28821-90.
  • 180 1 шт.

Недавно просмотренные товары

Принимаем к оплате
IP Electron в соцсетях