74 082 товаров в наличии и на заказ

Электронные компоненты и расходные материалы

$
Настройка отображения валюты
Полный каталог
Скидка на Конденсаторы
-20%

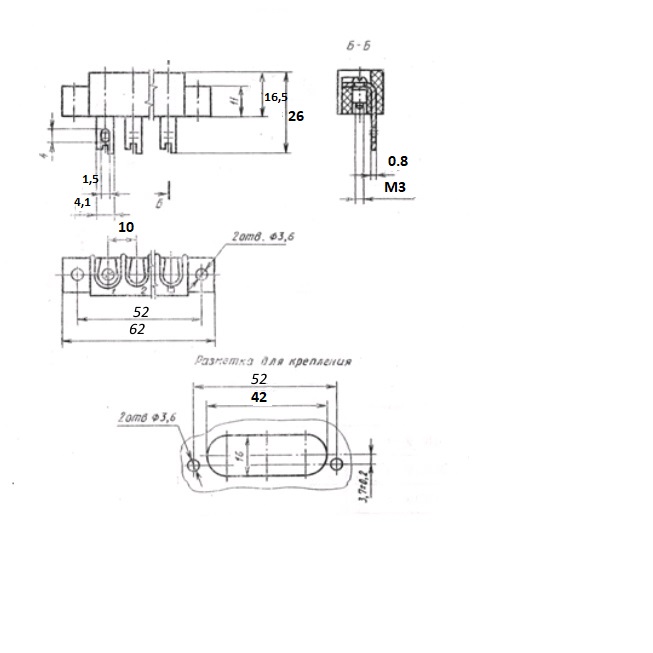
3ПС15-4 4 контакта, шаг 10mm, 5A(Ампер) 600V(Вольт) Плата соединительная, карболит ГОСТ 28821-90. (арт. KT-3211)

No name USSR; " 1" - ОТК; под винт М3; клеммная колодка, клеммная плата; 3ПМ..., 3ПС…, ПС...

Плата соединительная 3ПС15-4 для навесного монтажа с 4 контактами на максимальное рабочее напряжение 600 В и силу тока до 5 А. Предназначена для соединения электрических цепей постоянного, переменного и импульсного тока при внутреннем объёмном монтаже радиоэлектронной аппаратуры. Плата 3ПС15-4 используются как промежуточный переходный элемент для электрического соединения узлов и блоков аппаратуры общепромышленного и специального назначения. Расшифровка маркировки соединительная платы 3ПС15-4: 3 - конструктивное исполнение; ПС - плата соединительная; 15 - цифра, определяющая на типоразмер платы; 4 - цифра, указывающая на количество  контактов. Вся дополнительная информация находится во вложении на товар, см. pdf-файл.

Подробнее
Заметили
ошибку ?
Сообщите нам

Общая информация

Наименование 3ПС15-4 4 контакта, шаг 10mm, 5A(Ампер) 600V(Вольт) Плата соединительная, карболит ГОСТ 28821-90.
Торговая марка No name USSR
Страна изготовления СССР
Нормы и требования ГОСТ 28821-90, ОСТ 107.680225.001-86
Вид приемки i "1"- ОТК
Масса изделия, гр 26,2
Дата изготовленияi 1976-1991
Наличие паспорта - этикетки нет
Транслитерация 3PS15-4 4 pins, 10mm pitch, 5A(Ampere) 600V(Volt) Connecting board, carbonite GOST 28821-90.
Вид упаковки картонная коробка (45шт)
Состояние упаковки заводская

Основные параметры

Функциональная группа Установочные изделия
Функциональный тип платы монтажные, соединительные
Серия плат 3ПС15
Способ подключения проводов под винт М3
Вид контактов лепесток
Количество контактов 4
Материал контактов латунь
Покрытие контактов лужение
Количество рядов контактов 1
Шаг контактов в ряду 10 mm
Метод монтажа механический на панель
Метод монтажа электрический пайка
Диаметр установочного отверстия 3,6 mm
Установочные размеры 52 mm расстояние между монтажными отверстиями
Материал изолятора карболит (фенопласт)
Габаритные размеры L*W*H 62х26х16mm
Длина корпуса 62 mm
Ширина корпуса 16 mm
Цвет платы коричневый
Основание жесткое
Наличие прокладки для платы есть
Фактическая маркировка 3ПС15-4
Рабочее положение любое
Аналогичные серии 3ПМ..., 3ПС…, ПС...
Другие наименования клеммная колодка, клеммная плата

Технические характеристики

Рабочее напряжение, max 600 V
Рабочий ток, max 5 A

Условия эксплуатации

Интервал рабочих температур от -60 до +100°С
Климатическое исполнениеi В
Загрузка...
Принимаем заказы на товары,
не вошедшие в каталог

Пришлите маркировку необходимого вам товара.
Мы предоставим Вам наилучшие условия по поставке!

Оформить заявку

Похожие товары

Артикул (ID): TW-6492
3ПМ20-11 11 пар, 2ряда, 22 контакта, шаг 9mm, 5A(Ампер) 1000V(Вольт) Плата монтажная, карболит ГОСТ 28821-90
  • 134 1 шт.
  • 99 от 10 шт.
  • 88 от 100 шт.
Артикул (ID): TW-6494
Уценка 3ПС17-6 6 пар, 2 ряда, 12 контактов, шаг 11mm, 5A(Ампер) 1000V(Вольт) Плата соединительная, карболит ГОСТ 28821-90.
Артикул (ID): TW-6510
3ПС18-12 12 пар, 2 ряда, 24 контакта, шаг 11mm, 10A(Ампер) 1000V(Вольт) Плата соединительная, карболит ГОСТ 28821-90.
  • 117 1 шт.
Артикул (ID): TW-6517
3ПС10-6 6 пар, 2 ряда, 12 контактов, шаг 7mm, 5A(Ампер) 600V(Вольт) Плата соединительная, карболит ГОСТ 28821-90.
Артикул (ID): SN-6979
3ПС6-6 6 пар, 2 ряда, 12 контактов, шаг 7mm, 8A(Ампер) 600V(Вольт) Плата соединительная, карболит ГОСТ 28821-90
Артикул (ID): CC-09492
Интерфейсная плата 7820000709 RS 16DO- FBM242 HP RU
  • 1689.07 1 шт.
Артикул (ID): CC-09538
Интерфейсная плата 7828544446 RS 8AI PWR RU
  • 2282.53 1 шт.
Артикул (ID): CC-09745
Монтажная плата 2502540000 WPD 130 1X50/1X50 BL
  • 131.88 1 шт.
Артикул (ID): CC-09818
Печатная плата 1171090000 SAMPLE LP CH20M6
  • 362.31 1 шт.
Артикул (ID): CC-09840
Печатная плата 7508002111 2PR23798A
  • 362.31 1 шт.
Артикул (ID): CC-07415
Разъём 3ПС19-6
  • 33.72 1 шт.
Артикул (ID): CC-07416
Разъём 3ПМ22-5
  • 64.23 1 шт.
Артикул (ID): CC-11394
Разъём 3ПС18-12
  • 84.67 1 шт.
Артикул (ID): CC-11395
Разъём 3ПМ25-5
  • 126.11 1 шт.
Артикул (ID): BV-6361
ПС2-6 6 пар, 2 ряда, 12 контактов, шаг 12mm, 5A(Ампер) 1000V(Вольт) Плата соединительная, карболит ГОСТ 28821-90.
  • 180 1 шт.

Недавно просмотренные товары

Принимаем к оплате
IP Electron в соцсетях