74 574 товаров в наличии и на заказ

Электронные компоненты и расходные материалы

$
Настройка отображения валюты
Полный каталог
Скидка на Конденсаторы
-20%

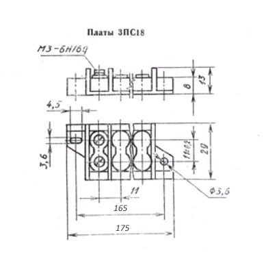
3ПС18-14 14 пар, 2 ряда, 28 контактов, шаг 11mm, 10A(Ампер) 1000V(Вольт) Плата соединительная, карболит ГОСТ 28821-90. (арт. TW-6519)

No name USSR; " 1" - ОТК; под винт М3; клеммная колодка, клеммная плата; 4ПМ..., 4ПС…, ПС...

3ПС18-14 28 контактов - Плата соединительная, карболит. Структура условного обозначения: ЗПС – Плата соединительная; 18 – цифра, определяющая на типоразмер платы; 14 – количество пар контактов. Соединительные платы используются как промежуточные переходные элементы для электрического соединения узлов и субблоков с коммутационной печатной платой или для соединения коммутационной платы с монтажными проводами. При установке соединительных плат на печатные платы их контакты запаиваются в металлизированные отверстия плат или припаиваются к контактным площадкам плат. Вся дополнительная информация находится во вложении на товар, см. pdf – файл.

Подробнее
Заметили
ошибку ?
Сообщите нам

Общая информация

Наименование 3ПС18-14 14 пар, 2 ряда, 28 контактов, шаг 11mm, 10A(Ампер) 1000V(Вольт) Плата соединительная, карболит ГОСТ 28821-90.
Торговая марка No name USSR
Страна изготовления СССР
Нормы и требования ГОСТ 28821-90, ОСТ 107.680225.001-86
Вид приемки i "1"- ОТК
Масса изделия, гр 75
Дата изготовленияi 1976-1991
Наличие паспорта - этикетки нет
Транслитерация 3PS18-14 14 pairs, 2 rows, 28 contacts, 11mm pitch, 10A(Ampere) 1000V(Volt) Connecting board, carbonite GOST 28821-90.
Состояние упаковки самоупаковка

Основные параметры

Функциональная группа Установочные изделия
Функциональный тип платы монтажные, соединительные
Серия плат 3ПС18
Способ подключения проводов под винт М3
Вид контактов винт
Количество контактов 28
Материал контактов латунь
Покрытие контактов лужение
Количество пар контактов 14
Количество рядов контактов 2
Шаг контактов в ряду 11 mm
Шаг между рядами контактов 11 mm
Метод монтажа механический на панель
Метод монтажа электрический винт
Диаметр установочного отверстия 3,6 mm
Установочные размеры 165 mm расстояние между монтажными отверстиями
Материал изолятора карболит (фенопласт)
Габаритные размеры L*W*H 175х29х13 mm
Длина корпуса 175 mm
Ширина корпуса 29 mm
Цвет платы коричневый
Тип платы односторонняя
Основание жесткое
Наличие прокладки для платы есть
Фактическая маркировка 3ПС18-14
Рабочее положение любое
Аналогичные серии 4ПМ..., 4ПС…, ПС...
Другие наименования клеммная колодка, клеммная плата

Технические характеристики

Рабочее напряжение, max 1000 V
Рабочий ток, max 10 A

Условия эксплуатации

Интервал рабочих температур от -60 до +100°С
Климатическое исполнениеi УХЛ
Загрузка...
Принимаем заказы на товары,
не вошедшие в каталог

Пришлите маркировку необходимого вам товара.
Мы предоставим Вам наилучшие условия по поставке!

Оформить заявку

Похожие товары

Артикул (ID): TW-6494
Уценка 3ПС17-6 6 пар, 2 ряда, 12 контактов, шаг 11mm, 5A(Ампер) 1000V(Вольт) Плата соединительная, карболит ГОСТ 28821-90.
Артикул (ID): TW-6495
3ПС21-6 6 пар, 2 ряда, 12 контактов, шаг 13mm, 20A(Ампер) 600V(Вольт) Плата соединительная, карболит ГОСТ 28821-90.
Артикул (ID): TW-6510
3ПС18-12 12 пар, 2 ряда, 24 контакта, шаг 11mm, 10A(Ампер) 1000V(Вольт) Плата соединительная, карболит ГОСТ 28821-90.
  • 117 1 шт.
Артикул (ID): SN-6979
3ПС6-6 6 пар, 2 ряда, 12 контактов, шаг 7mm, 8A(Ампер) 600V(Вольт) Плата соединительная, карболит ГОСТ 28821-90
Артикул (ID): SN-7371
3ПС17-10 10 пар, 2 ряда, 20 контактов, шаг 11mm, 5A(Ампер) 1000V(Вольт) Плата соединительная, карболит ГОСТ 28821-90.
  • 176 1 шт.
  • 158 от 5 шт.
Артикул (ID): CC-09492
Интерфейсная плата 7820000709 RS 16DO- FBM242 HP RU
  • 1713.99 1 шт.
Артикул (ID): CC-09538
Интерфейсная плата 7828544446 RS 8AI PWR RU
  • 2316.21 1 шт.
Артикул (ID): CC-09745
Монтажная плата 2502540000 WPD 130 1X50/1X50 BL
  • 133.83 1 шт.
Артикул (ID): CC-09818
Печатная плата 1171090000 SAMPLE LP CH20M6
  • 367.65 1 шт.
Артикул (ID): CC-09840
Печатная плата 7508002111 2PR23798A
  • 367.65 1 шт.
Артикул (ID): CC-07415
Разъём 3ПС19-6
  • 34.21 1 шт.
Артикул (ID): CC-07416
Разъём 3ПМ22-5
  • 65.18 1 шт.
Артикул (ID): CC-11394
Разъём 3ПС18-12
  • 85.92 1 шт.
Артикул (ID): CC-11395
Разъём 3ПМ25-5
  • 127.97 1 шт.
Артикул (ID): BV-6361
ПС2-6 6 пар, 2 ряда, 12 контактов, шаг 12mm, 5A(Ампер) 1000V(Вольт) Плата соединительная, карболит ГОСТ 28821-90.
  • 180 1 шт.

Недавно просмотренные товары

Принимаем к оплате
IP Electron в соцсетях