74 082 товаров в наличии и на заказ

Электронные компоненты и расходные материалы

$
Настройка отображения валюты
Полный каталог
Скидка на Конденсаторы
-20%

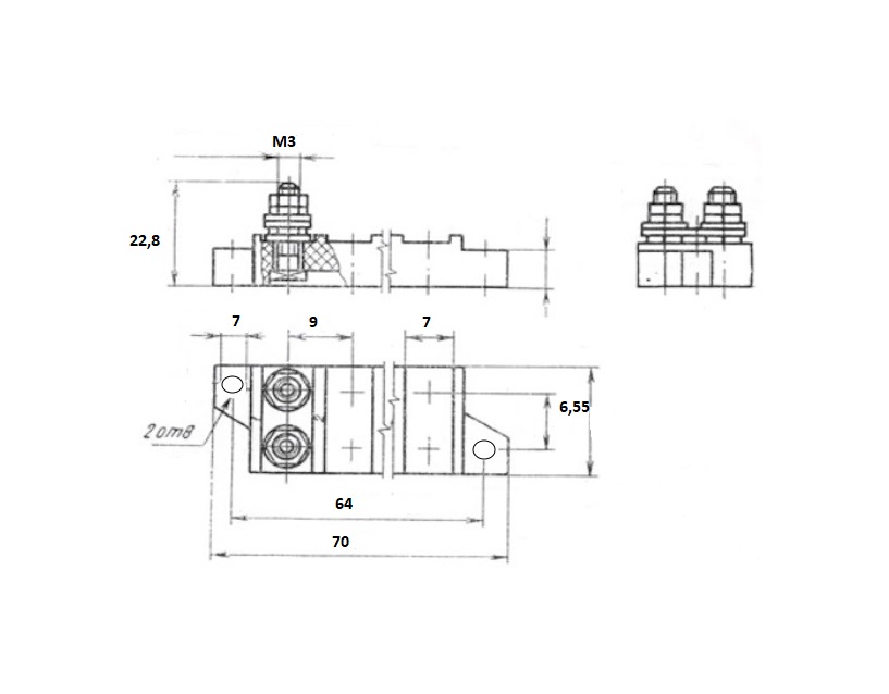
ПС5-6 6 пар, 2 ряда,12 контактов, шаг 9mm, 20A(Ампер) 600V(Вольт). Плата соединительная, карболит. (арт. KT-3188)

No name Russia; " 1" - ОТК; под винт М3; клеммная колодка, клеммная плата; 3ПМ..., 3ПС…, ПС...

ПC5-6 4 Плата соединительная, карболит. Структура условного обозначения: ПС - плата соединительная; 5 - цифра, определяющая на типоразмер платы; 6 - число, указывающая на количество пар контактов. Предназначена для соединения электрических цепей постоянного, переменного и импульсного тока при внутреннем объёмном монтаже радиоэлектронной аппаратуры. Соединительные платы используются как промежуточные переходные элементы для электрического соединения узлов и блоков аппаратуры общепромышленного и специального назначения. Вся дополнительная информация находится во вложении на товар, см. pdf – файл.

Подробнее
Заметили
ошибку ?
Сообщите нам

Общая информация

Наименование ПС5-6 6 пар, 2 ряда,12 контактов, шаг 9mm, 20A(Ампер) 600V(Вольт). Плата соединительная, карболит.
Торговая марка No name Russia
Страна изготовления СССР
Вид приемки i "1"- ОТК
Масса изделия, гр 36,8
Дата изготовленияi 1976-1991
Наличие паспорта - этикетки нет
Транслитерация PS5-6 6 pairs, 2 rows,12 contacts, 9mm pitch, Connection board, carbolite
Состояние упаковки самоупаковка

Основные параметры

Функциональная группа Установочные изделия
Функциональный тип платы монтажные, соединительные
Серия плат ПС5
Способ подключения проводов под винт М3
Вид контактов винт
Количество контактов 12
Материал контактов латунь
Покрытие контактов лужение
Количество пар контактов 6
Количество рядов контактов 2
Шаг контактов в ряду 9 mm
Шаг между рядами контактов 10 mm
Метод монтажа механический на панель
Метод монтажа электрический винт
Диаметр установочного отверстия 3,5 mm
Установочные размеры 64 mm расстояние между монтажными отверстиями
Материал изолятора карболит (фенопласт)
Габаритные размеры L*W*H 70х23х7 mm
Длина корпуса 70 mm
Ширина корпуса 7 mm
Цвет платы коричневый
Тип платы односторонняя
Основание жесткое
Наличие прокладки для платы есть
Фактическая маркировка ПС5-6
Рабочее положение любое
Аналогичные серии 3ПМ..., 3ПС…, ПС...
Другие наименования клеммная колодка, клеммная плата

Технические характеристики

Рабочее напряжение, max 600 V
Рабочий ток, max 20 A

Условия эксплуатации

Климатическое исполнениеi УХЛ

Полные аналоги

Функциональные аналоги

Возможные аналоги

Загрузка...
Принимаем заказы на товары,
не вошедшие в каталог

Пришлите маркировку необходимого вам товара.
Мы предоставим Вам наилучшие условия по поставке!

Оформить заявку

Похожие товары

Артикул (ID): TN-7300
3ПС19-20 20 контактов, шаг 9,5mm, 10A(Ампер) 600V(Вольт) Плата соединительная, карболит ГОСТ 28821-90
  • 203 1 шт.
Артикул (ID): TW-6510
3ПС18-12 12 пар, 2 ряда, 24 контакта, шаг 11mm, 10A(Ампер) 1000V(Вольт) Плата соединительная, карболит ГОСТ 28821-90.
  • 117 1 шт.
Артикул (ID): ZT-3817
3ПС15-6 6 контактов, шаг 10mm, 5A(Ампер) 600V(Вольт) Плата соединительная, карболит ГОСТ 28821-90.
Артикул (ID): ZT-3895
3ПС6-6 6 пар, 2 ряда, 12 контактов, шаг 7mm, 8A(Ампер) 600V(Вольт) Плата соединительная карболит, ГОСТ 28821-90
Артикул (ID): ZT-3846
3ПС19-6 6 контактов, шаг 9,5mm, 10A(Ампер) 600V(Вольт) Плата соединительная, карболит ГОСТ 28821-90
  • 73.79 1 шт.
  • 73.79 от 10 шт.
Артикул (ID): CC-09492
Интерфейсная плата 7820000709 RS 16DO- FBM242 HP RU
  • 1689.07 1 шт.
Артикул (ID): CC-09538
Интерфейсная плата 7828544446 RS 8AI PWR RU
  • 2282.53 1 шт.
Артикул (ID): CC-09745
Монтажная плата 2502540000 WPD 130 1X50/1X50 BL
  • 131.88 1 шт.
Артикул (ID): CC-09818
Печатная плата 1171090000 SAMPLE LP CH20M6
  • 362.31 1 шт.
Артикул (ID): CC-09840
Печатная плата 7508002111 2PR23798A
  • 362.31 1 шт.
Артикул (ID): CC-07415
Разъём 3ПС19-6
  • 33.72 1 шт.
Артикул (ID): CC-07416
Разъём 3ПМ22-5
  • 64.23 1 шт.
Артикул (ID): CC-11394
Разъём 3ПС18-12
  • 84.67 1 шт.
Артикул (ID): CC-11395
Разъём 3ПМ25-5
  • 126.11 1 шт.
Артикул (ID): BV-6361
ПС2-6 6 пар, 2 ряда, 12 контактов, шаг 12mm, 5A(Ампер) 1000V(Вольт) Плата соединительная, карболит ГОСТ 28821-90.
  • 180 1 шт.

Недавно просмотренные товары

Принимаем к оплате
IP Electron в соцсетях