73 975 товаров в наличии и на заказ

Электронные компоненты и расходные материалы

$
Настройка отображения валюты
Полный каталог
Скидка на Конденсаторы
-20%

АЗ3К-25 25A(Ампер) 200V(Вольт) Автоматический выключатель (арт. KT-914)

Алатырский завод «Электроавтомат», г. Алатырь; 200 V; 400 Hz

АЗ3K-25 25А 200V - Автомат защиты сети негерметичный, пылебрызгозащищенный, мгновенного действия для работы в сетях трёхфазного переменного тока напряжением не более 208 В частотой 400 Гц на номинальный ток 25 А. Расшифровка маркировки автомата защиты сети: АЗ3К-25   - АЗ - буквенное обозначение - автомат защиты;  3 - цифра, определяющая исполнение - для трёхфазных сетей переменного тока;   - К - модификация автомата защиты сети - с индексом «К» устанавливаются в кабинах с красным освещением;  25 - цифра, определяющая величину номинального тока, А. Вся дополнительная информация находится во вложении на товар, см. pdf - файл.

Подробнее
Заметили
ошибку ?
Сообщите нам

Общая информация

Наименование АЗ3К-25 25A(Ампер) 200V(Вольт) Автоматический выключатель
Торговая марка Алатырский завод «Электроавтомат», г. Алатырь
Страна изготовления СССР
Дата изготовленияi 1976-1991
Нормы и требования 8ЮО.361.030ТУ
Вид приемки i "1"- ОТК
Масса изделия, гр 255
Наличие паспорта - этикетки нет
Транслитерация AZ3K-25 25A(Ampere) 200V(Volt) Automatic switch
Состояние упаковки самоупаковка

Основные параметры

Функциональная группа Устройства защиты
Функциональный тип автоматические выключатели
Серия автоматических выключателей АЗ3
Число полюсов трехполюсный
Количество положений 2
Наличие фиксации есть
Наличие перезапуска ручной
Наличие индикации (цвет) есть
Вид толкателя рычаг 30 mm
Материал ручки(кнопки)-толкателя пластмасса
Материал корпуса карболит
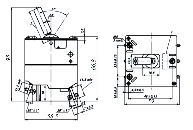
Габаритные размеры L*W*H 59х58,55х95 mm
Длина корпуса 59 mm
Ширина корпуса 58,5 mm
Высота корпуса 66,8 mm
Метод монтажа механический на панель
Метод монтажа электрический винт
Цвет корпуса коричневый
Материал выводов латунь
Вид выводов винтовые
Покрытие выводов (Ni) никель
Количество выводов 6
Расстояние между выводами 47 mm
Установочные размеры 33 mm; 48 mm - расстояние между монтажными отверстиями
Рабочее положение любое
Фактическая маркировка АЗ3К-25

Технические характеристики

Номинальный ток 25 A
Номинальное напряжение 200 V
Тип расцепителя тепловой
Номинальная частота 400 Hz
Род тока 3-х фазный переменный
Время срабатывания теплового расцепителя 30min (15A);
Ток срабатывания теплового расцепителя 15A (=30min);
Напряжение цепи однофазного переменного тока не более 200 V
Время срабатывания 10 ms

Условия эксплуатации

Степень защиты IPi IP30, IP00
Ресурс 10 000 переключений
Климатическое исполнениеi УХЛ3
Интервал рабочих температур от -60 до +60°С
Относительная влажность 98% при температуре +40°С
Минимальный срок сохраняемости, лет 8

Оставить отзыв

Оценка:
              
Преимущества *
Недостатки *
Комментарий *
Ваше Имя *
Эл. почта *
Введите текст с картинки:
* Поля для обязательного заполнения
Отзыв будет опубликован после проверки модератором
Принимаем заказы на товары,
не вошедшие в каталог

Пришлите маркировку необходимого вам товара.
Мы предоставим Вам наилучшие условия по поставке!

Оформить заявку

Похожие товары

Артикул (ID): TN-3650
АЗ3К-10 10A(Ампер) 200VAC(Вольт) Автоматический выключатель
  • 1688 1 шт.
Артикул (ID): TN-3653
АЗ3К-2 2A(Ампер) 200VAC(Вольт) Автоматический выключатель,
  • 1688 1 шт.
Артикул (ID): TM-9774
АЕ2043-100-00У3-А 3P 40A(Ампер) 660VAC(Вольт) кл.А Автоматический выключатель
  • 855 1 шт.
Артикул (ID): TM-9779
А3726 БУ3 3P 250A(Ампер) 380VAC(Вольт) 4.5kA Автоматический выключатель
Артикул (ID): ZX-2642
АЗ3К-2 2A(Ампер) 200VAC(Вольт) Автоматический выключатель.
  • 1712.88 1 шт.
Артикул (ID): ZP-5600
ADB3-63 3P 40A(Ампер) 230VAC(Вольт) 6kA х-ка C Автоматический выключатель
  • 502.23 1 шт.
  • 502.23 от 10 шт.
Артикул (ID): ZP-5601
ADB3-63 3P 50A(Ампер) 230VAC(Вольт) 6kA х-ка C Автоматический выключатель
  • 552.72 1 шт.
  • 552.72 от 10 шт.
Артикул (ID): ZP-5602
ADB3-63 3P 63A(Ампер) 230VAC(Вольт) 6kA х-ка C Автоматический выключатель
  • 552.72 1 шт.
  • 552.72 от 10 шт.
Артикул (ID): ZP-7165
ВА47-29 1Р 20A(Ампер) 230VAC(Вольт) 4,5кА х-ка С Автоматический выключатель
  • 175.07 1 шт.
  • 175.07 от 10 шт.
Артикул (ID): ZP-7213
ВА47-29 1Р 3A(Ампер) 230VAC(Вольт) 4,5кА х-ка С Автоматический выключатель
  • 220.37 1 шт.
Артикул (ID): ZP-7281
ВА47-29 1Р 40A(Ампер) 230VAC(Вольт) 4,5кА х-ка С Автоматический выключатель
  • 184.73 1 шт.
  • 184.73 от 10 шт.
Артикул (ID): ZP-7175
ВА47-29 1Р 63A(Ампер) 230VAC(Вольт) 4,5кА х-ка С Автоматический выключатель
  • 153 1 шт.
  • 153 от 10 шт.
Артикул (ID): ZX-2654
АЗК1М-2-2С 2A(Ампер) 27VDC(Вольт) 115VAC(Вольт) Автоматический выключатель.
  • 11858.4 1 шт.
Артикул (ID): KL-6235
Уценка АЗС-20 20A(Ампер) 27V(Вольт) Автоматический выключатель, ТУ 16-526.015-73
  • 932 1 шт.

Недавно просмотренные товары

Принимаем к оплате
IP Electron в соцсетях