73 894 товаров в наличии и на заказ

Электронные компоненты и расходные материалы

$
Настройка отображения валюты
Полный каталог
Скидка на Конденсаторы
-20%

АЗ3К-50 50A(Ампер) 200VAC(Вольт) Автоматический выключатель (арт. ZX-2646)

Алатырский завод «Электроавтомат», г. Алатырь; 200 V; 400 Hz

АЗ3K-50 50А 200VAC - Автомат защиты сети негерметичный, пылебрызгозащищенный, мгновенного действия для работы в сетях трёхфазного переменного тока напряжением не более 208 В частотой 400 Гц на номинальный ток 50 А. Структура условного обозначения: АЗ - автомат защиты; 3 - количество полюсов; К - модификация автомата защиты сети: с индексом «К» устанавливаются в кабинах с красным освещением; 50A - номинальный ток; 200V – номинальное напряжение. Предназначен для автоматического отключения потребителей электроэнергии самолетных электросистем от опасных по величине и времени токовых перегрузок и коротких замыканий. Одновременно автомат защиты являются трехполюсным выключателям. При коротком замыкании в одной фазе автомат, срабатывая, отключает все три фазы. Вся дополнительная информация находится во вложении на товар, см. pdf - файл.

Подробнее
Заметили
ошибку ?
Сообщите нам

Общая информация

Наименование АЗ3К-50 50A(Ампер) 200VAC(Вольт) Автоматический выключатель
Торговая марка Алатырский завод «Электроавтомат», г. Алатырь
Страна изготовления РОССИЯ
Дата изготовленияi дата не указана
Нормы и требования 8Ю0.361.030ТУ
Вид приемки i "1"- ОТК
Масса изделия, гр 255
Наличие паспорта - этикетки нет
Транслитерация AZ3K-50 50A(Ampere) 200V(Volt) Circuit breaker
Вид упаковки картонная коробка (20шт)
Состояние упаковки самоупаковка

Основные параметры

Функциональная группа Устройства защиты
Функциональный тип автоматические выключатели
Серия автоматических выключателей АЗ3
Число полюсов трехполюсный
Количество положений 2
Наличие фиксации есть
Наличие перезапуска ручной
Наличие индикации (цвет) нет
Вид толкателя рычаг
Материал ручки(кнопки)-толкателя пластмасса
Материал корпуса карболит
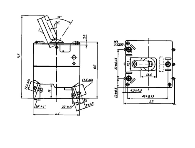
Габаритные размеры L*W*H 53х55х95 mm
Длина корпуса 53 mm
Ширина корпуса 55 mm
Высота корпуса 66 mm
Метод монтажа механический на панель
Метод монтажа электрический винт
Цвет корпуса коричневый
Материал выводов латунь
Вид выводов винтовые
Покрытие выводов (Ni) никель
Количество выводов 6
Расстояние между выводами 47 mm
Установочные размеры 33 mm; 48 mm - расстояние между монтажными отверстиями
Рабочее положение любое
Фактическая маркировка АЗ3К-50

Технические характеристики

Номинальный ток 50 A
Номинальное напряжение 200 V
Тип расцепителя тепловой, электромагнитный
Номинальная частота 400 Hz
Род тока 3-х фазный переменный
Время срабатывания теплового расцепителя 30min (70A);
Время срабатывания электромагнитного расцепителя 0,1s (500-1000A)
Ток срабатывания теплового расцепителя 70A (=30min);
Ток срабатывания электромагнитного расцепителя 500-1000A (0,1s)
Время срабатывания 10 ms

Условия эксплуатации

Степень защиты IPi IP30, IP00
Минимальная наработка 2000 час.
Ресурс 10 000 переключений
Климатическое исполнениеi УХЛ3
Интервал рабочих температур от -60 до +60°С
Относительная влажность 98% при температуре +40°С
Минимальный срок сохраняемости, лет 8

Функциональные аналоги

АЗ3-50А АО "Электроавтомат", фото
АЗ3-50А АО "Электроавтомат"

Оставить отзыв

Оценка:
              
Преимущества *
Недостатки *
Комментарий *
Ваше Имя *
Эл. почта *
Введите текст с картинки:
* Поля для обязательного заполнения
Отзыв будет опубликован после проверки модератором
Принимаем заказы на товары,
не вошедшие в каталог

Пришлите маркировку необходимого вам товара.
Мы предоставим Вам наилучшие условия по поставке!

Оформить заявку

Похожие товары

Артикул (ID): TN-3652
АЗ3К-15 15A(Ампер) 200VAC(Вольт) Автоматический выключатель
  • 2925 1 шт.
Артикул (ID): TN-3653
АЗ3К-2 2A(Ампер) 200VAC(Вольт) Автоматический выключатель,
  • 1688 1 шт.
Артикул (ID): TN-3654
АЗ3К-10 10A(Ампер) 200VAC(Вольт) Автоматический выключатель.
  • 1688 1 шт.
Артикул (ID): ZX-2648
АЗ3К-75 75A(Ампер) 200VAC(Вольт) Автоматический выключатель
  • 2947.83 1 шт.
Артикул (ID): ZX-2668
АЗК3-40 50A(Ампер) 200VAC(Вольт) Автоматический выключатель.
  • 9223.2 1 шт.
Артикул (ID): ZP-5599
ADB3-63 3P 32A(Ампер) 230VAC(Вольт) 6kA х-ка C Автоматический выключатель
  • 502.23 1 шт.
Артикул (ID): ZP-5600
ADB3-63 3P 40A(Ампер) 230VAC(Вольт) 6kA х-ка C Автоматический выключатель
  • 502.23 1 шт.
  • 502.23 от 10 шт.
Артикул (ID): ZP-5601
ADB3-63 3P 50A(Ампер) 230VAC(Вольт) 6kA х-ка C Автоматический выключатель
  • 552.72 1 шт.
  • 552.72 от 10 шт.
Артикул (ID): ZP-5602
ADB3-63 3P 63A(Ампер) 230VAC(Вольт) 6kA х-ка C Автоматический выключатель
  • 552.72 1 шт.
  • 552.72 от 10 шт.
Артикул (ID): ZP-7165
ВА47-29 1Р 20A(Ампер) 230VAC(Вольт) 4,5кА х-ка С Автоматический выключатель
  • 175.07 1 шт.
  • 175.07 от 10 шт.
Артикул (ID): ZP-7213
ВА47-29 1Р 3A(Ампер) 230VAC(Вольт) 4,5кА х-ка С Автоматический выключатель
  • 220.37 1 шт.
Артикул (ID): ZP-7281
ВА47-29 1Р 40A(Ампер) 230VAC(Вольт) 4,5кА х-ка С Автоматический выключатель
  • 184.73 1 шт.
  • 184.73 от 10 шт.
Артикул (ID): ZP-7175
ВА47-29 1Р 63A(Ампер) 230VAC(Вольт) 4,5кА х-ка С Автоматический выключатель
  • 153 1 шт.
  • 153 от 10 шт.
Артикул (ID): ZX-2654
АЗК1М-2-2С 2A(Ампер) 27VDC(Вольт) 115VAC(Вольт) Автоматический выключатель.
  • 11858.4 1 шт.
Артикул (ID): KL-6235
Уценка АЗС-20 20A(Ампер) 27V(Вольт) Автоматический выключатель, ТУ 16-526.015-73
  • 932 1 шт.

Недавно просмотренные товары

Принимаем к оплате
IP Electron в соцсетях