74 009 товаров в наличии и на заказ

Электронные компоненты и расходные материалы

$
Настройка отображения валюты
Полный каталог
Скидка на Конденсаторы
-20%

АЗР-6 6A(Ампер) 30V(Вольт) Автоматический выключатель (арт. SN-8112)

No name USSR; 30 V; -

АЗР-6 6А 30V - автомат защиты сети однополюсный, пылебрызгозащищенный, мгновенного действия, со свободным расцеплением управляющей и контактной систем. Структура условного обозначения: АЗР - автомат защиты сети со свободным расцеплением; 6А – номинальный ток; 30V - номинальное напряжение; К - модификация автомата защиты сети: с индексом «К» устанавливаются в кабинах с красным освещением и отличаются от автоматов без индекса нанесением белой краски на торец рукоятки вместо светомассы; без индекса «К» - для работы в кабинах с обычным освещением. АЗР не позволяет принудительно коммутировать цепь в аварийной ситуации, что дает возможность использовать его в пожароопасных цепях (например, в цепи подкачивающего электронасоса, расположенного в топливном баке). Вся дополнительная информация находится во вложении на товар, см. pdf -файл.

Подробнее
Заметили
ошибку ?
Сообщите нам

Общая информация

Наименование АЗР-6 6A(Ампер) 30V(Вольт) Автоматический выключатель
Торговая марка No name USSR
Страна изготовления СССР
Дата изготовленияi дата не указана
Вид приемки i "1"- ОТК
Масса изделия, гр 150
Наличие паспорта - этикетки нет
Транслитерация AZR-6 6A(Ampere) 30V(Volt) Circuit breaker
Вид упаковки полиэт. пакет (1шт)
Состояние упаковки самоупаковка

Основные параметры

Функциональная группа Устройства защиты
Функциональный тип автоматические выключатели
Серия автоматических выключателей АЗР
Число полюсов однополюсный
Количество положений 2
Наличие фиксации есть
Режим работы длительный
Наличие перезапуска ручной
Наличие индикации (цвет) нет
Вид толкателя рычаг
Материал ручки(кнопки)-толкателя аминопласт
Материал корпуса металл
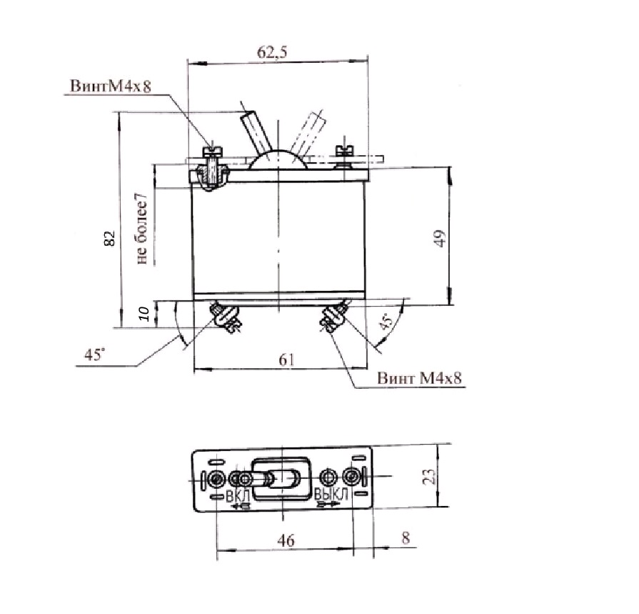
Габаритные размеры L*W*H 62,5х23х82 mm
Длина корпуса 62,5 mm
Ширина корпуса 23 mm
Высота корпуса 49 mm
Метод монтажа механический фронтальный винтами
Метод монтажа электрический провод
Цвет корпуса серый
Материал выводов латунь
Вид выводов винтовые
Покрытие выводов (Ni) никель
Количество выводов 2
Расстояние между выводами 40 mm
Установочные размеры 46 mm расстояние между монтажными отверстиями
Рабочее положение любое
Фактическая маркировка АЗР6 30В

Технические характеристики

Номинальный ток 6 A
Номинальное напряжение 30 V
Тип расцепителя свободный расцепитель
Род тока однофазный постоянный

Условия эксплуатации

Степень защиты IPi IP30, IP00
Минимальная наработка 2000 час.
Ресурс 10000 циклов
Климатическое исполнениеi УХЛ3
Интервал рабочих температур от -60 до +60°С
Минимальный срок сохраняемости, лет 8

Оставить отзыв

Оценка:
              
Преимущества *
Недостатки *
Комментарий *
Ваше Имя *
Эл. почта *
Введите текст с картинки:
* Поля для обязательного заполнения
Отзыв будет опубликован после проверки модератором
Принимаем заказы на товары,
не вошедшие в каталог

Пришлите маркировку необходимого вам товара.
Мы предоставим Вам наилучшие условия по поставке!

Оформить заявку

Похожие товары

Артикул (ID): TK-5817
АЗР-3 3A(Ампер) 30V(Вольт) Автоматический выключатель
Артикул (ID): SN-8109
АЗР-6 6A(Ампер) 30V(Вольт) Автоматический выключатель "1"
  • 2289 1 шт.
Артикул (ID): SN-8111
АЗР-6 6A(Ампер) 30V(Вольт) Автоматический выключатель,
Артикул (ID): TN-4747
АЗР-5 5A(Ампер) 30V(Вольт) Автоматический выключатель
Артикул (ID): ZP-5600
ADB3-63 3P 40A(Ампер) 230VAC(Вольт) 6kA х-ка C Автоматический выключатель
  • 502.23 1 шт.
  • 502.23 от 10 шт.
Артикул (ID): ZP-5601
ADB3-63 3P 50A(Ампер) 230VAC(Вольт) 6kA х-ка C Автоматический выключатель
  • 552.72 1 шт.
  • 552.72 от 10 шт.
Артикул (ID): ZP-5602
ADB3-63 3P 63A(Ампер) 230VAC(Вольт) 6kA х-ка C Автоматический выключатель
  • 552.72 1 шт.
  • 552.72 от 10 шт.
Артикул (ID): ZP-7165
ВА47-29 1Р 20A(Ампер) 230VAC(Вольт) 4,5кА х-ка С Автоматический выключатель
  • 175.07 1 шт.
  • 175.07 от 10 шт.
Артикул (ID): ZP-7213
ВА47-29 1Р 3A(Ампер) 230VAC(Вольт) 4,5кА х-ка С Автоматический выключатель
  • 220.37 1 шт.
Артикул (ID): ZP-7281
ВА47-29 1Р 40A(Ампер) 230VAC(Вольт) 4,5кА х-ка С Автоматический выключатель
  • 184.73 1 шт.
  • 184.73 от 10 шт.
Артикул (ID): ZP-7175
ВА47-29 1Р 63A(Ампер) 230VAC(Вольт) 4,5кА х-ка С Автоматический выключатель
  • 153 1 шт.
  • 153 от 10 шт.
Артикул (ID): ZX-2654
АЗК1М-2-2С 2A(Ампер) 27VDC(Вольт) 115VAC(Вольт) Автоматический выключатель.
  • 11858.4 1 шт.
Артикул (ID): KL-6235
Уценка АЗС-20 20A(Ампер) 27V(Вольт) Автоматический выключатель, ТУ 16-526.015-73
  • 932 1 шт.

Недавно просмотренные товары

Принимаем к оплате
IP Electron в соцсетях