74 085 товаров в наличии и на заказ

Электронные компоненты и расходные материалы

$
Настройка отображения валюты
Полный каталог
Скидка на Конденсаторы
-20%

S1035-3 20A(Ампер) 32V(Вольт) Предохранитель автомобильный (арт. ZT-9258)

RUICHI; макси; желтый; 12,15 mm

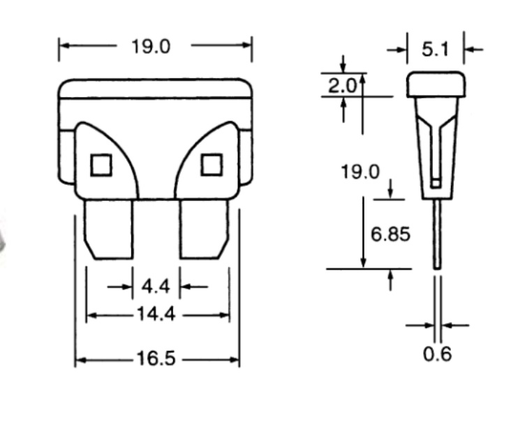
Предохранитель RUICHI S1035-3 20A 32V "макси" флажкового типа, предназначен для защиты сети и электроприборов от скачков электричества, короткого замыкания и чрезмерных перегрузок. Расшифровка: S1035-3 – Серия предохранителя; 20A – Номинальный ток; 32V – Номинальное напряжение. Предохранители RUICHI относятся к виду плавких, в своей основе они состоят из легкоплавкого элемента (плавкая вставка изготовлена из высококачественного сплава цинка). Замену предохранителей стоит осуществлять только при отключенном питании сети. Номиналы предохранителей автомобильных S1035-3 отличаются по цвету корпуса. Вся дополнительная информация находится во вложении на товар, см. pdf – файл.

Подробнее
Заметили
ошибку ?
Сообщите нам

Общая информация

Наименование S1035-3 20A(Ампер) 32V(Вольт) Предохранитель автомобильный
Торговая марка RUICHI
Страна изготовления КИТАЙ
Дата изготовленияi дата не указана
Масса изделия, гр 0,7
Наличие паспорта - этикетки нет
Вид упаковки полиэт. пакет (250шт)
Состояние упаковки заводская

Основные параметры

Функциональная группа Устройства защиты
Функциональный тип предохранитель автомобильный
Серия предохранителя S1035-3
Типоразмер вставки плавкой макси
Материал корпуса полиамид
Вид контактов ножевые
Материал контактов латунь
Покрытие контактов Ni (никель)
Метод монтажа в держатель
Тип держателя предохранителя S1038-1, S1038-2, S1038-3, S1038-4, S1038-5, S1038-6, S1038-7 (на провод), S1039-3 (на панель)
Цвет корпуса желтый
Высота корпуса 12,15 mm
Габаритные размеры L*W*H 19х5,1х21 mm

Технические характеристики

Номинальный ток 20 A
Номинальное напряжение 32 V

Условия эксплуатации

Интервал рабочих температур от -40 до +125°С

Полные аналоги

Предохранитель автомобильный 20А LECAR, фото
Предохранитель автомобильный 20А LECAR
Предохранитель автомобильный 20А LECAR, фото
Предохранитель автомобильный 20А LECAR
Предохранитель автомобильный 20А Tesla, фото
Предохранитель автомобильный 20А Tesla

Функциональные аналоги

Предохранитель автомобильный 15А AIRLINE, фото
Предохранитель автомобильный 15А AIRLINE
Предохранитель автомобильный 15А RUNWAY, фото
Предохранитель автомобильный 15А RUNWAY
Предохранитель автомобильный 15А LECAR, фото
Предохранитель автомобильный 15А LECAR
Предохранитель автомобильный 15А AVS, фото
Предохранитель автомобильный 15А AVS

Возможные аналоги

Предохранитель автомобильный 20А FX, фото
Предохранитель автомобильный 20А FX
Предохранитель автомобильный 20А ALCA, фото
Предохранитель автомобильный 20А ALCA
Предохранитель автомобильный 20А Definum, фото
Предохранитель автомобильный 20А Definum
Предохранитель автомобильный 20А Bosch, фото
Предохранитель автомобильный 20А Bosch

Оставить отзыв

Оценка:
              
Преимущества *
Недостатки *
Комментарий *
Ваше Имя *
Эл. почта *
Введите текст с картинки:
* Поля для обязательного заполнения
Отзыв будет опубликован после проверки модератором
Принимаем заказы на товары,
не вошедшие в каталог

Пришлите маркировку необходимого вам товара.
Мы предоставим Вам наилучшие условия по поставке!

Оформить заявку

Похожие товары

Артикул (ID): BV-9460
S1035-3 7,5A(Ампер) 32V(Вольт) Предохранитель автомобильный, RUICHI
  • 2.2 1 шт.
  • 2 от 10 шт.
  • 1.8 от 100 шт.
Артикул (ID): BV-9298
S1035-3 5A(Ампер) 32V(Вольт) Предохранитель автомобильный.
  • 2.15 1 шт.
  • 2 от 10 шт.
Артикул (ID): CC-11246
Предохранитель автомобильный Стандарт, 25А
  • 4.51 1 шт.
Артикул (ID): CC-05091
Предохранитель автомобильный Мини, 20А
  • 4.3 1 шт.
Артикул (ID): CC-05089
Предохранитель автомобильный Мини, 15А
  • 4.3 1 шт.
Артикул (ID): CC-05087
Предохранитель автомобильный Мини, 10А
  • 4.2 1 шт.
Артикул (ID): KT-3209
S1035-3 10A(Ампер) 32V(Вольт) Предохранитель автомобильный, RUICHI
  • 3 1 шт.
  • 3 от 10 шт.
  • 3 от 100 шт.
Артикул (ID): KT-3208
S1035-2 5A(Ампер) 32V(Вольт) Предохранитель автомобильный, RUICHI
  • 3 1 шт.
  • 3 от 10 шт.
Артикул (ID): KT-3207
S1035-2 20A(Ампер) 32V(Вольт) Предохранитель автомобильный, RUICHI
Артикул (ID): KT-3205
S1035-1 7,5A(Ампер) 32V(Вольт) Предохранитель автомобильный, RUICHI
  • 3 1 шт.
  • 3 от 10 шт.
  • 3 от 100 шт.
Артикул (ID): KT-3201
S1035-1 5(Ампер) 32V(Вольт) Предохранитель автомобильный, RUICHI
  • 3 1 шт.
  • 3 от 10 шт.
  • 3 от 100 шт.
Артикул (ID): KT-3198
S1035-1 20(Ампер) 32V(Вольт) Предохранитель автомобильный, RUICHI
  • 3 1 шт.
  • 3 от 10 шт.
  • 3 от 100 шт.
Артикул (ID): KT-3194
S1035-1 15(Ампер) 32V(Вольт) Предохранитель автомобильный, RUICHI
  • 3 1 шт.
  • 3 от 10 шт.
  • 3 от 100 шт.
Артикул (ID): KT-3192
S1035-1 10(Ампер) 32V(Вольт) Предохранитель автомобильный, RUICHI
  • 3 1 шт.
  • 3 от 10 шт.
  • 3 от 100 шт.
Артикул (ID): KP-8988
S1035-3 40A(Ампер) 32V(Вольт) Предохранитель автомобильный 2023
  • 3 1 шт.
  • 3 от 10 шт.
  • 3 от 100 шт.

Недавно просмотренные товары

Принимаем к оплате
IP Electron в соцсетях