74 078 товаров в наличии и на заказ

Электронные компоненты и расходные материалы

$
Настройка отображения валюты
Полный каталог
Скидка на Конденсаторы
-20%

A81A250X (B88069X1500) 20kA(Килоампер) 250V(Вольт) Разрядник двухэлектродный (арт. ZX-1319)

RUICHI; газовый; выводной

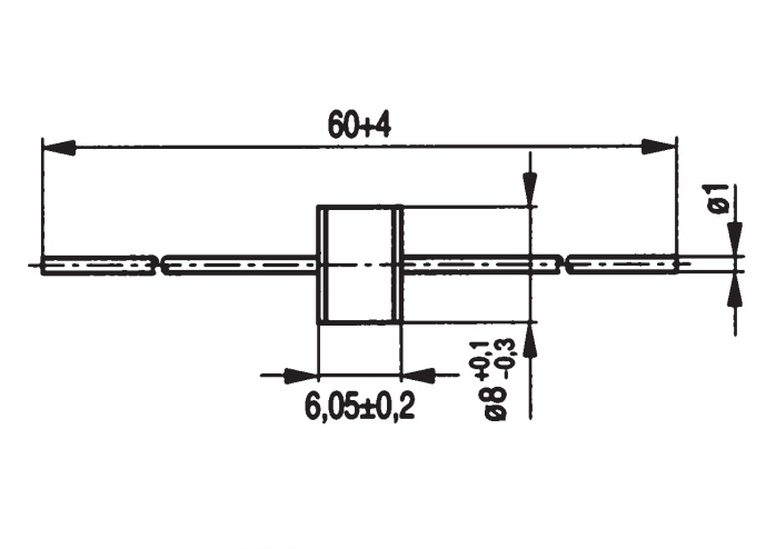
A81A250X (B88069X1500) 20kA/20A 250V Разрядник на статическое напряжение пробоя 250В и током анода в импульсе не более 20000А. Структура условного обозначения: А81 - тип разрядника; A250 – напряжение пробоя; 20kA - импульсный ток разряда; 20A - ток разряда для переменного напряжения 50 Гц (1c); 250V - напряжение пробоя. Газовый разрядник выполнен из двух электродов в корпусе, наполненном инертным газом при регулируемом давлении. Корпус представляет собой керамическую трубку, концы которой закрыты металлическими колпачками, которые также служат электродами. Их основное применение заключается в защите телекоммуникационных линий, но возможны и другие применения. Вся дополнительная информация находится во вложении на товар, см. pdf - файл.

Подробнее
Заметили
ошибку ?
Сообщите нам

Общая информация

Наименование A81A250X (B88069X1500) 20kA(Килоампер) 250V(Вольт) Разрядник двухэлектродный
Торговая марка RUICHI
Дата изготовленияi дата не указана
Страна изготовления КИТАЙ
Нормы и требования IEC 61643-311
Масса изделия, гр 1,4
Наличие паспорта - этикетки нет
Вид упаковки картонная коробка (70 шт)
Состояние упаковки заводская

Основные параметры

Функциональная группа Устройства защиты
Функциональный тип Разрядники
Серия разрядников A81
Тип разрядника газовый
Конструктивное исполнение разрядника выводной
Метод монтажа механический в плату
Метод монтажа электрический пайка
Количество выводов 2
Тип вывода аксиальный
Материал выводов латунь
Покрытие выводов никель (Ni)
Цвет корпуса розовый
Материал корпуса керамика
Размеры корпуса L*W*H 6х8 mm
Покрытие корпуса керамика
Габаритные размеры L*W*H 8х62 mm

Технические характеристики

Импульсный ток разряда 20 kA
Напряжение пробоя 250 V
Сопротивление изоляции, min 10 GΩ
Межэлектродная емкость max 1 pF
Ток разряда для переменного напряжения 20 A

Условия эксплуатации

Интервал рабочих температур от -40 до +125°С
Ресурс 10 импульсов (min)

Полные аналоги

A81A250X EPCOS, фото
A81A250X EPCOS
B88069X1500 TDK (TDK-Lambda), фото
B88069X1500 TDK (TDK-Lambda)
Загрузка...
Принимаем заказы на товары,
не вошедшие в каталог

Пришлите маркировку необходимого вам товара.
Мы предоставим Вам наилучшие условия по поставке!

Оформить заявку

Недавно просмотренные товары

Принимаем к оплате
IP Electron в соцсетях