74 078 товаров в наличии и на заказ

Электронные компоненты и расходные материалы

$
Настройка отображения валюты
Полный каталог
Скидка на Конденсаторы
-20%

A81C90X (B88069X1380) 20kA(Килоампер) 900V(Вольт) Разрядник двухэлектродный (арт. ZX-1323)

RUICHI; газовый; выводной

A81C90X (B88069X1380) 20kA/20A 900V Разрядник на статическое напряжение пробоя 900В и током анода в импульсе не более 20кА. Структура условного обозначения: А81 - тип разрядника; C90 – напряжение пробоя; 20kA - импульсный ток разряда; 20A - ток разряда для переменного напряжения 50 Гц (1c); 900V - напряжение пробоя. Газовый разрядник выполнен из двух электродов в корпусе, наполненном инертным газом при регулируемом давлении. Корпус представляет собой керамическую трубку, концы которой закрыты металлическими колпачками, которые также служат электродами. Их основное применение заключается в защите телекоммуникационных линий, но возможны и другие применения. Вся дополнительная информация находится во вложении на товар, см. pdf - файл.

Подробнее
Заметили
ошибку ?
Сообщите нам

Общая информация

Наименование A81C90X (B88069X1380) 20kA(Килоампер) 900V(Вольт) Разрядник двухэлектродный
Торговая марка RUICHI
Дата изготовленияi дата не указана
Страна изготовления КИТАЙ
Нормы и требования IEC 61643-311
Масса изделия, гр 1,9
Наличие паспорта - этикетки нет
Вид упаковки картонная коробка (100шт)
Состояние упаковки заводская

Основные параметры

Функциональная группа Устройства защиты
Функциональный тип Разрядники
Серия разрядников A81
Тип разрядника газовый
Конструктивное исполнение разрядника выводной
Метод монтажа механический в плату
Метод монтажа электрический пайка
Количество выводов 2
Тип вывода аксиальный
Материал выводов латунь
Покрытие выводов никель (Ni)
Цвет корпуса белый
Материал корпуса керамика
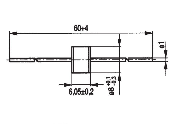
Размеры корпуса L*W*H 6х8 mm
Покрытие корпуса керамика
Габаритные размеры L*W*H 8х62 mm

Технические характеристики

Импульсный ток разряда 20 kA
Напряжение пробоя 900 V
Сопротивление изоляции, min 1 GΩ
Межэлектродная емкость max 1,5 mkF
Ток разряда для переменного напряжения 20 A

Условия эксплуатации

Интервал рабочих температур от -40 до +90°С
Ресурс 10 импульсов (min)

Полные аналоги

A81C90X EPCOS, фото
A81C90X EPCOS
B88069X1380 TDK (TDK-Lambda), фото
B88069X1380 TDK (TDK-Lambda)
Загрузка...
Принимаем заказы на товары,
не вошедшие в каталог

Пришлите маркировку необходимого вам товара.
Мы предоставим Вам наилучшие условия по поставке!

Оформить заявку

Недавно просмотренные товары

Принимаем к оплате
IP Electron в соцсетях