74 082 товаров в наличии и на заказ

Электронные компоненты и расходные материалы

$
Настройка отображения валюты
Полный каталог
Скидка на Конденсаторы
-20%

L71A800X (B88069X2040) 5kA(Килоампер) 800V(Вольт) Разрядник двухэлектродный. (арт. TP-4966)

RUICHI; газовый; выводной

L71A800X (B88069X2040) 5kA/5A 800V Разрядник на статическое напряжение пробоя 900В и током анода в импульсе не более 5кА. Структура условного обозначения: L71A - тип разрядника; 5kA - импульсный ток разряда; 5A - ток разряда для переменного напряжения 50 Гц (1c); 800V - напряжение пробоя. Газовый разрядник выполнен из двух электродов в корпусе, наполненном инертным газом при регулируемом давлении. Корпус представляет собой керамическую трубку, концы которой закрыты металлическими колпачками, которые также служат электродами. Их основное применение заключается в защите телекоммуникационных линий, но возможны и другие применения. Вся дополнительная информация находится во вложении на товар, см. pdf - файл.

Подробнее
Заметили
ошибку ?
Сообщите нам

Общая информация

Наименование L71A800X (B88069X2040) 5kA(Килоампер) 800V(Вольт) Разрядник двухэлектродный.
Торговая марка RUICHI
Дата изготовленияi дата не указана
Страна изготовления КИТАЙ
Нормы и требования IEC 61643-311
Масса изделия, гр 1,5
Наличие паспорта - этикетки нет
Вид упаковки полиэт. пакет (1шт)
Состояние упаковки самоупаковка

Основные параметры

Функциональная группа Устройства защиты
Функциональный тип Разрядники
Серия разрядников L71A
Тип разрядника газовый
Конструктивное исполнение разрядника выводной
Метод монтажа механический в плату
Метод монтажа электрический пайка
Количество выводов 3
Тип вывода аксиальный
Материал выводов латунь
Покрытие выводов никель (Ni)
Цвет корпуса розовый
Материал корпуса керамика
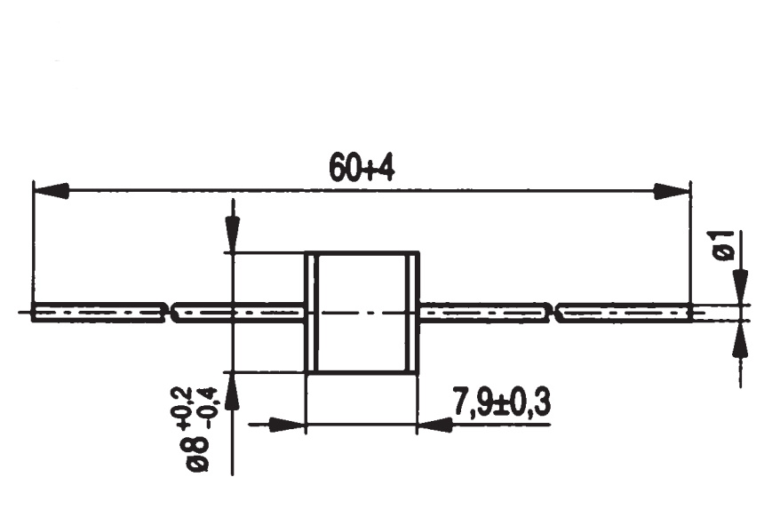
Размеры корпуса L*W*H 6х8 mm
Покрытие корпуса без покрытия
Габаритные размеры L*W*H 8х62 mm

Технические характеристики

Импульсный ток разряда 5 kA
Напряжение пробоя 800 V
Сопротивление изоляции, min 10 GΩ
Межэлектродная емкость max 1 pF
Ток разряда для переменного напряжения 5 A

Условия эксплуатации

Интервал рабочих температур от -40 до +90°С
Ресурс 10 импульсов (min)

Полные аналоги

Функциональные аналоги

L71A800X EPCOS, фото
L71A800X EPCOS
B88069X2040 TDK (TDK-Lambda), фото
B88069X2040 TDK (TDK-Lambda)
Загрузка...
Принимаем заказы на товары,
не вошедшие в каталог

Пришлите маркировку необходимого вам товара.
Мы предоставим Вам наилучшие условия по поставке!

Оформить заявку

Недавно просмотренные товары

Принимаем к оплате
IP Electron в соцсетях