74 067 товаров в наличии и на заказ

Электронные компоненты и расходные материалы

$
Настройка отображения валюты
Полный каталог
Скидка на Конденсаторы
-20%

T63C600X (B88069X6990) 20kA(Килоампер) 600V(Вольт) Разрядник трехэлектродный (арт. ZX-1344)

RUICHI; газовый; выводной

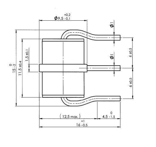
T63C600X (B88069X6990) 20kA/20A 600V Разрядник на статическое напряжение пробоя 600В и током анода в импульсе не более 20кА. Структура условного обозначения: T63C - тип разрядника; 20kA - импульсный ток разряда; 20A - ток разряда для переменного напряжения 50 Гц (1c); 600V - напряжение пробоя. Газовый разрядник выполнен из трех электродов в корпусе, наполненном инертным газом при регулируемом давлении. Корпус представляет собой керамическую трубку, концы которой закрыты металлическими колпачками, которые также служат электродами. Их основное применение заключается в защите телекоммуникационных линий, но возможны и другие применения. Вся дополнительная информация находится во вложении на товар, см. pdf - файл.

Подробнее
Заметили
ошибку ?
Сообщите нам

Общая информация

Наименование T63C600X (B88069X6990) 20kA(Килоампер) 600V(Вольт) Разрядник трехэлектродный
Торговая марка RUICHI
Дата изготовленияi дата не указана
Страна изготовления КИТАЙ
Нормы и требования IEC 61643-311
Масса изделия, гр 2,1
Наличие паспорта - этикетки нет
Вид упаковки картонная коробка (20шт)
Состояние упаковки заводская

Основные параметры

Функциональная группа Устройства защиты
Функциональный тип Разрядники
Серия разрядников T63
Тип разрядника газовый
Конструктивное исполнение разрядника выводной
Метод монтажа механический в плату
Метод монтажа электрический пайка
Количество выводов 3
Тип вывода радиальный
Материал выводов латунь
Покрытие выводов никель (Ni)
Цвет корпуса белый
Материал корпуса керамика
Размеры корпуса L*W*H 9,5х11,5 mm
Покрытие корпуса без покрытия
Габаритные размеры L*W*H 15х9,2х16 mm

Технические характеристики

Импульсный ток разряда 20 kA
Напряжение пробоя 600 V
Сопротивление изоляции, min 10 GΩ
Межэлектродная емкость max 1,5 pF
Ток разряда для переменного напряжения 20 A

Условия эксплуатации

Интервал рабочих температур от -40 до +90°С
Ресурс 10 импульсов (min)

Полные аналоги

Функциональные аналоги

2026-60-C2LF BOURNS, фото
2026-60-C2LF BOURNS
2026-60-C2LF BOURNS, фото
2026-60-C2LF BOURNS
2026-60-C4 BOURNS, фото
2026-60-C4 BOURNS
2026-60-C2F BOURNS, фото
2026-60-C2F BOURNS

Возможные аналоги

2026-60-C3 BOURNS, фото
2026-60-C3 BOURNS
Загрузка...
Принимаем заказы на товары,
не вошедшие в каталог

Пришлите маркировку необходимого вам товара.
Мы предоставим Вам наилучшие условия по поставке!

Оформить заявку

Недавно просмотренные товары

Принимаем к оплате
IP Electron в соцсетях