74 082 товаров в наличии и на заказ

Электронные компоненты и расходные материалы

$
Настройка отображения валюты
Полный каталог
Скидка на Конденсаторы
-20%

ТПВ.110.20 (Termo fuse 110°C 20A axial ) 110°C 20A(Ампер) 230VAC(Вольт) axial Термопредохранитель (арт. TP-3883)

No name Russia; 230 V

ТПВ.110.20 (Termo fuse 110°C 20A axial ) 110°C 20А Термопредохранитель - электрический термовыключатель одноразового действия, обеспечивающий возможность выноса термозвена в отдалённую от блока управления горячую зону. Используется для  защиты от перегрева в ненормальных условиях работы электрических водонагревателей, термошкафов и других электрических устройств. 110 - температура срабатывания при среднем токе рекомендуемого диапазона применения (110°C); 20 - номинальный ток (20А). Вся дополнительная информация находится во вложении на товар, см. pdf -файл.

Подробнее
Заметили
ошибку ?
Сообщите нам

Общая информация

Наименование ТПВ.110.20 (Termo fuse 110°C 20A axial ) 110°C 20A(Ампер) 230VAC(Вольт) axial Термопредохранитель
Торговая марка No name Russia
Дата изготовленияi 2022
Страна изготовления РОССИЯ
Нормы и требования ТУ27.12.23-008-10912987-2020
Вид приемки i "1"- ОТК
Масса изделия, гр 3,7
Транслитерация TPV.110.20 (Termo fuse 110*C 20A axial ) 110°C 20A
Наличие паспорта - этикетки есть
Вид упаковки полиэт. пакет (1шт)
Состояние упаковки самоупаковка

Основные параметры

Функциональная группа Устройства защиты
Функциональный тип Термопредохранители
Серия термопредохранителя ТПВ
Тип термопредохранителя термический
Метод монтажа механический в плату
Метод монтажа электрический пайка, сварка
Тип вывода проволочный
Цвет изделия белый
Материал корпуса эпоксидный компаунд
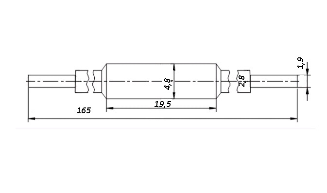
Габариты корпуса термопредохранителя 19,5х4,8 mm
Покрытие корпуса защитное покрытие
Конструкция выводов термопредохранителя аксиальные
Длина выводов 72,5 mm
Габаритные размеры L*W*H 4,8х165 mm
Длина выводов 72,5 mm
Фактическая маркировка 110°C 20А

Технические характеристики

Номинальный ток 20 A
Номинальное напряжение 230 V
Температура срабатывания 110°C
Температура допустимая, max 132,5°C
Температура не приводящая к срабатыванию 90°C

Условия эксплуатации

Климатическое исполнениеi УХЛ 4
Загрузка...
Принимаем заказы на товары,
не вошедшие в каталог

Пришлите маркировку необходимого вам товара.
Мы предоставим Вам наилучшие условия по поставке!

Оформить заявку

Похожие товары

Артикул (ID): TP-3876
ТПВ.140.10 (Termo fuse 140°C10A axial ) 140°C 10A(Ампер) 230VAC(Вольт) axial Термопредохранитель
  • 170 1 шт.
Артикул (ID): TP-3881
ТПВ.091.20 (Termo fuse 91°C 20A axial ) 91°C 20A(Ампер) 230VAC(Вольт) axial Термопредохранитель
Артикул (ID): TP-3885
ТПВ.144.20 (Termo fuse 144°C 20A axial ) 144°C 20A(Ампер) 230VAC(Вольт) axial Термопредохранитель
  • 184 1 шт.
Артикул (ID): TP-3891
ТПВ.112.30 (Termo fuse 112°C 30A axial ) 112°C 30A(Ампер) 230VAC(Вольт) axial Термопредохранитель
Артикул (ID): TP-3892
ТПВ.144.30 (Termo fuse 144°C 30A axial ) 144°C 30A(Ампер) 230VAC(Вольт) axial Термопредохранитель
  • 195 1 шт.
Артикул (ID): TP-3896
ТПВ.088.30 (Termo fuse 88°C 30A axial ) 88°C 30A(Ампер) 230VAC(Вольт) axial Термопредохранитель
Артикул (ID): CC-05408
Термопредохранитель L-KLS5-104-3A130
  • 6.08 1 шт.
Артикул (ID): CC-05409
Термопредохранитель L-KLS5-104-5A130
  • 8.23 1 шт.
Артикул (ID): CC-05410
Термопредохранитель L-KLS5-KSD9700-5A070-B
  • 37.58 1 шт.
Артикул (ID): CC-05411
Термопредохранитель NTCM-HP-22K-1%
  • 48.41 1 шт.
Артикул (ID): CC-05412
Термопредохранитель PTCCL11H251HBE
  • 132.19 1 шт.
Артикул (ID): CC-05413
Термопредохранитель Termo fuse 133*C 15A axial
  • 14.2 1 шт.
Артикул (ID): CC-05414
Термопредохранитель Termo fuse 145*C 3A DIP
  • 4.59 1 шт.
Артикул (ID): CC-12065
Термопредохранители KLS5-103-125-10А (125С)
  • 4.54 1 шт.
Артикул (ID): CC-12186
Предохранитель быстрого срабатывания KLS5-219-100 (10A/250V)
  • 2.58 1 шт.

Недавно просмотренные товары

Принимаем к оплате
IP Electron в соцсетях