74 132 товаров в наличии и на заказ

Электронные компоненты и расходные материалы

$
Настройка отображения валюты
Полный каталог
Скидка на Конденсаторы
-20%

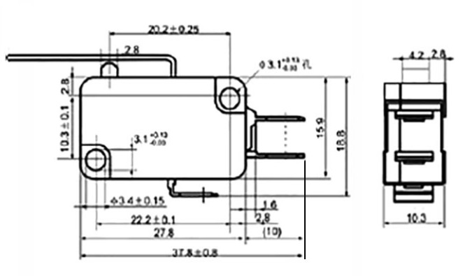
KW7-07-01 под клемму планка 5A(Ампер) 250VAC(Вольт) Микропереключатель (арт. ZP-6309)

on-(on); планка угловая

Микропереключатель с угловой планкой 90° RUICHI KW7-07-01 ON-(ON), SPDT 3P, 250 В, 5 А представляет собой коммутационное устройство с механическим приводом. Он используется в качестве исполнительных устройств дистанционного управления, а также в качестве базового элемента для ряда коммутирующих изделий: кнопок, кнопочных, клавишных и других переключателей. Вся дополнительная информация находится во вложении на товар, см. pdf - файл.

Подробнее
Заметили
ошибку ?
Сообщите нам

Общая информация

Наименование KW7-07-01 под клемму планка 5A(Ампер) 250VAC(Вольт) Микропереключатель
Код ТНВЭД 8536508008
Торговая марка RUICHI
Страна происхождения КИТАЙ
Дата изготовленияi дата не указана
Масса изделия, гр 7,8
Наличие паспорта - этикетки нет
Вид упаковки картонная коробка
Кратность упаковки 2000
Состояние упаковки заводская

Основные параметры

Функциональная группа Коммутационные изделия
Функциональный тип микропереключатель
Серия переключателя KW7
Число полюсов однополюсный
Количество положений 2
Наличие фиксации нет
Количество фиксированных положений 1
Метод монтажа механический на панель, крепление корпуса винтовое
Метод монтажа электрический клеммы
Способ присоединения проводов клемма и обжим
Установочные размеры 24,5 mm расстояние между монтажными отверстиями
Алгоритм работыi on-(on)
Электрическая схема контактов микропереключателей 1 перекл.
Наличие индикации (цвет) нет
Габаритные размеры L*W*H 58х10,3х26 mm
Высота корпуса 15,9 mm
Длина корпуса 28 mm
Ширина корпуса 10,3 mm
Материал корпуса пластик
Вид толкателя планка угловая
Рабочий ход толкателя 0,6 mm
Материал ручки(кнопки)-толкателя металл
Покрытие ручки толкателя (Ni) никель
Цвет толкателя серый
Высота ручки толкателя 8 mm
Вид выводов клемма
Материал выводов латунь
Покрытие выводов никель (Ni)

Технические характеристики

Номинальный ток 5 A
Номинальное напряжение 250 VAC
Сопротивление контактов не более 30 mΩ
Сопротивление изоляции 100 MΩ

Условия эксплуатации

Интервал рабочих температур от -25 до +85 °С
Ресурс 100000 циклов

Оставить отзыв

Оценка:
              
Преимущества *
Недостатки *
Комментарий *
Ваше Имя *
Эл. почта *
Введите текст с картинки:
* Поля для обязательного заполнения
Отзыв будет опубликован после проверки модератором
Принимаем заказы на товары,
не вошедшие в каталог

Пришлите маркировку необходимого вам товара.
Мы предоставим Вам наилучшие условия по поставке!

Оформить заявку

Похожие товары

Артикул (ID): CC-12540
Микропереключатель Z-15GW2-B
  • 100.03 1 шт.
Артикул (ID): KL-3826
ПМ22-2В под пайку 4A 36VDC 6A 250VAC Микропереключатель, АГ0.360.218 ТУ
  • 648 1 шт.
  • 584 от 5 шт.
Артикул (ID): TT-05056
KW1-103-Z3A100 Микропереключатель, 3-контактный, средний уровень, 6,35x0,8 мм, черный Daier
  • 25.46 1 шт.
Артикул (ID): TT-05055
KW1-103-Z1A150 переключатель Daier
  • 25.98 1 шт.
Артикул (ID): TT-05054
KW-10-Z4P переключатель Daier
  • 8.78 1 шт.
Артикул (ID): TT-05053
KW-10-Z3P переключатель Daier
  • 5.03 1 шт.
Артикул (ID): TT-05052
KLS7-KW4-3Z-B122013L4 (L-KLS7-KW4-3Z-B122013L4) переключатель, KLS
  • 29.96 1 шт.
Артикул (ID): KL-2180
МП2101Л исп.4 под пайку толкатель 16A(Ампер) 440VDC(Вольт) 660VAC(Вольт) Микропереключатель.
  • 308 1 шт.
Артикул (ID): KL-2228
Уценка МП2101Л исп.4 под пайку толкатель 16A(Ампер) 440VDC(Вольт) 660VAC(Вольт) Микропереключатель.
  • 216 1 шт.
Артикул (ID): ZN-8608
2Д701 под пайку кнопка 10A(Ампер) 30VAC(Вольт) 3A(Ампер) 220VAC(Вольт) Микропереключатель.
  • 300 1 шт.
  • 300 от 10 шт.
  • 300 от 100 шт.
Артикул (ID): KK-16663
ПМ22-2В|карб.|5|2013|Белово|
  • 340 1 шт.
Артикул (ID): KK-16661
МП1-1 ( ПМ22-2)|карб.|9|2018|Белово|
  • 408 1 шт.
Артикул (ID): CC-11989
Переключатель KW5-OZ-1-E угловой
  • 4.32 1 шт.
Артикул (ID): KK-16512
Д701||5|2021|Электроавтомат|з/уп+пасп.
  • 340 1 шт.
Артикул (ID): KK-16511
Д701||5|2020|Электроавтомат|
  • 323 1 шт.

Недавно просмотренные товары

Принимаем к оплате
IP Electron в соцсетях