74 574 товаров в наличии и на заказ

Электронные компоненты и расходные материалы

$
Настройка отображения валюты
Полный каталог
Скидка на Конденсаторы
-20%

MSW-02B под клемму планка 5A(Ампер) 250VAC(Вольт) Микропереключатель. (арт. TO-2996)

on-(on); RUICHI; планка прямая 27мм

Микропереключатель с планкой RUICHI MSW-02B, ON-(ON) SPST, 5 А, 250 В представляет собой коммутационное устройство с механическим приводом. Он используется в качестве исполнительных устройств дистанционного управления, а также в качестве базового элемента для ряда коммутирующих изделий: кнопок, кнопочных, клавишных и других переключателей. Вся дополнительная информация находится во вложении на товар, см. pdf -  файл.

Подробнее
Заметили
ошибку ?
Сообщите нам

Общая информация

Наименование MSW-02B под клемму планка 5A(Ампер) 250VAC(Вольт) Микропереключатель.
Код ТНВЭД 8536508008
Торговая марка RUICHI
Страна происхождения КИТАЙ
Дата изготовленияi дата не указана
Масса изделия, гр 6,55
Наличие паспорта - этикетки нет
Вид упаковки пластиковый короб
Кратность упаковки 100
Состояние упаковки заводская

Основные параметры

Функциональная группа Коммутационные изделия
Функциональный тип микропереключатель
Серия переключателя MSW
Число полюсов однополюсный
Количество положений 2
Наличие фиксации нет
Количество фиксированных положений 1
Метод монтажа механический на панель, крепление корпуса винтовое
Метод монтажа электрический клеммы
Способ присоединения проводов клемма и обжим
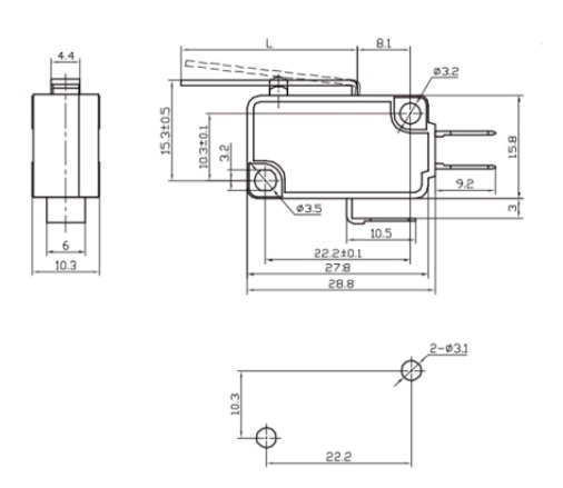
Установочные размеры 24,5 mm расстояние между монтажными отверстиями
Алгоритм работыi on-(on)
Электрическая схема контактов микропереключателей 1 размык.
Наличие индикации (цвет) нет
Габаритные размеры L*W*H 38х10,3х24 mm
Высота корпуса 15,8 mm
Длина корпуса 28,8 mm
Ширина корпуса 10,3 mm
Материал корпуса пластик
Вид толкателя планка прямая 27мм
Рабочий ход толкателя 0,6 mm
Материал ручки(кнопки)-толкателя металл
Покрытие ручки толкателя (Ni) никель
Цвет толкателя серый
Высота ручки толкателя 10 mm
Вид выводов клемма
Материал выводов латунь
Покрытие выводов (Ag) серебро
Фактическая маркировка KW 16(5)A 250V 1E4 T125 16A 125V

Технические характеристики

Номинальный ток 5 A
Номинальное напряжение 250 VAC
Коммутируемая мощность, max 1,25 kW
Сопротивление контактов не более 30 mΩ
Сопротивление изоляции 100 MΩ

Условия эксплуатации

Степень защиты IPi IP40
Интервал рабочих температур от -25 до +80°C
Ресурс 100000 циклов

Полные аналоги

Функциональные аналоги

Возможные аналоги

Загрузка...
Принимаем заказы на товары,
не вошедшие в каталог

Пришлите маркировку необходимого вам товара.
Мы предоставим Вам наилучшие условия по поставке!

Оформить заявку

Похожие товары

Артикул (ID): KL-3826
ПМ22-2В под пайку 4A 36VDC 6A 250VAC Микропереключатель, АГ0.360.218 ТУ
  • 648 1 шт.
  • 584 от 5 шт.
Артикул (ID): TT-05056
KW1-103-Z3A100 Микропереключатель, 3-контактный, средний уровень, 6,35x0,8 мм, черный Daier
  • 25.46 1 шт.
Артикул (ID): TT-05055
KW1-103-Z1A150 переключатель Daier
  • 25.98 1 шт.
Артикул (ID): TT-05054
KW-10-Z4P переключатель Daier
  • 8.78 1 шт.
Артикул (ID): TT-05053
KW-10-Z3P переключатель Daier
  • 5.03 1 шт.
Артикул (ID): TT-05052
KLS7-KW4-3Z-B122013L4 (L-KLS7-KW4-3Z-B122013L4) переключатель, KLS
  • 29.96 1 шт.
Артикул (ID): KL-2180
МП2101Л исп.4 под пайку толкатель 16A(Ампер) 440VDC(Вольт) 660VAC(Вольт) Микропереключатель.
  • 308 1 шт.
Артикул (ID): KL-2228
Уценка МП2101Л исп.4 под пайку толкатель 16A(Ампер) 440VDC(Вольт) 660VAC(Вольт) Микропереключатель.
  • 216 1 шт.
Артикул (ID): ZN-8608
2Д701 под пайку кнопка 10A(Ампер) 30VAC(Вольт) 3A(Ампер) 220VAC(Вольт) Микропереключатель.
  • 300 1 шт.
  • 300 от 10 шт.
  • 300 от 100 шт.
Артикул (ID): KK-16663
ПМ22-2В|карб.|5|2013|Белово|
  • 340 1 шт.
Артикул (ID): KK-16661
МП1-1 ( ПМ22-2)|карб.|9|2018|Белово|
  • 408 1 шт.
Артикул (ID): CC-12001
Микропереключатель SM5-03P
  • 14.86 1 шт.
Артикул (ID): CC-11989
Переключатель KW5-OZ-1-E угловой
  • 4.37 1 шт.
Артикул (ID): KK-16512
Д701||5|2021|Электроавтомат|з/уп+пасп.
  • 340 1 шт.
Артикул (ID): KK-16511
Д701||5|2020|Электроавтомат|
  • 323 1 шт.

Недавно просмотренные товары

Принимаем к оплате
IP Electron в соцсетях