74 574 товаров в наличии и на заказ

Электронные компоненты и расходные материалы

$
Настройка отображения валюты
Полный каталог
Скидка на Конденсаторы
-20%

МП9 под пайку кнопка 0,2A(Ампер) 30VDC(Вольт) 250VAC(Вольт) Микропереключатель, аналог (арт. OP-1725)

on-(on); RUICHI; кнопка

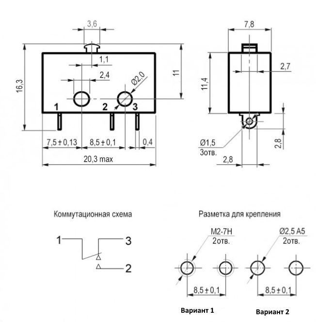
МП9 Микропереключатель, аналог – однополюсный, малогабаритный с одним переключающим контактом.  Предназначен для коммутации электрических цепей постоянного и переменного тока при напряжении не более 250 В и силе тока до 4,0 А. Используется для работы в качестве микропереключателя в системах управления и сигнализации электронной аппаратуры общего и специального назначения. Конструкция контактных выводов обеспечивает подсоединение монтажных проводов при помощи пайки. Вся дополнительная информация находится во вложении на товар, см. pdf – файл.

Подробнее
Заметили
ошибку ?
Сообщите нам

Общая информация

Наименование МП9 под пайку кнопка 0,2A(Ампер) 30VDC(Вольт) 250VAC(Вольт) Микропереключатель, аналог
Код ТНВЭД 8536508008
Торговая марка RUICHI
Страна происхождения КИТАЙ
Дата изготовленияi дата не указана
Масса изделия, гр 2
Наличие паспорта - этикетки нет
Кратность упаковки 5000
Состояние упаковки самоупаковка

Основные параметры

Функциональная группа Коммутационные изделия
Функциональный тип микропереключатель
Серия переключателя МП
Число полюсов однополюсный
Количество положений 2
Наличие фиксации нет
Количество фиксированных положений 1
Усилие срабатывания 0,98-2,94 N
Усилие обратного срабатывания 0,39 N
Метод монтажа механический на панель, крепление корпуса винтовое
Метод монтажа электрический пайка
Способ присоединения проводов пайка
Установочные размеры 8,5 mm расстояние между монтажными отверстиями
Алгоритм работыi on-(on)
Электрическая схема контактов микропереключателей 1 перекл.
Наличие индикации (цвет) нет
Габаритные размеры L*W*H 20,3х7,8х16,3 mm
Высота корпуса 11,4 mm
Длина корпуса 20,3 mm
Ширина корпуса 7,8 mm
Материал корпуса пластик
Вид толкателя кнопка
Рабочий ход толкателя 0,15 - 0,6 mm
Материал ручки(кнопки)-толкателя пластмасса
Покрытие ручки толкателя без покрытия
Цвет толкателя белый
Высота ручки толкателя 3 mm
Вид выводов лепесток
Материал выводов латунь
Покрытие выводов никель (Ni)
Фактическая маркировка KW4-0Z

Технические характеристики

Номинальный ток 0,2 A
Номинальное напряжение 30 VDC; 250 VAC
Коммутируемая мощность, max 300 W
Сопротивление контактов не более 30 mΩ
Сопротивление изоляции 100 MΩ

Условия эксплуатации

Интервал рабочих температур от -25 до +85 °С
Минимальная наработка 5000 час.
Ресурс 10000 циклов

Полные аналоги

Функциональные аналоги

Возможные аналоги

Загрузка...
Принимаем заказы на товары,
не вошедшие в каталог

Пришлите маркировку необходимого вам товара.
Мы предоставим Вам наилучшие условия по поставке!

Оформить заявку

Похожие товары

Артикул (ID): KL-3826
ПМ22-2В под пайку 4A 36VDC 6A 250VAC Микропереключатель, АГ0.360.218 ТУ
  • 648 1 шт.
  • 584 от 5 шт.
Артикул (ID): TT-05056
KW1-103-Z3A100 Микропереключатель, 3-контактный, средний уровень, 6,35x0,8 мм, черный Daier
  • 25.46 1 шт.
Артикул (ID): TT-05055
KW1-103-Z1A150 переключатель Daier
  • 25.98 1 шт.
Артикул (ID): TT-05054
KW-10-Z4P переключатель Daier
  • 8.78 1 шт.
Артикул (ID): TT-05053
KW-10-Z3P переключатель Daier
  • 5.03 1 шт.
Артикул (ID): TT-05052
KLS7-KW4-3Z-B122013L4 (L-KLS7-KW4-3Z-B122013L4) переключатель, KLS
  • 29.96 1 шт.
Артикул (ID): KL-2180
МП2101Л исп.4 под пайку толкатель 16A(Ампер) 440VDC(Вольт) 660VAC(Вольт) Микропереключатель.
  • 308 1 шт.
Артикул (ID): KL-2228
Уценка МП2101Л исп.4 под пайку толкатель 16A(Ампер) 440VDC(Вольт) 660VAC(Вольт) Микропереключатель.
  • 216 1 шт.
Артикул (ID): ZN-8608
2Д701 под пайку кнопка 10A(Ампер) 30VAC(Вольт) 3A(Ампер) 220VAC(Вольт) Микропереключатель.
  • 300 1 шт.
  • 300 от 10 шт.
  • 300 от 100 шт.
Артикул (ID): KK-16663
ПМ22-2В|карб.|5|2013|Белово|
  • 340 1 шт.
Артикул (ID): KK-16661
МП1-1 ( ПМ22-2)|карб.|9|2018|Белово|
  • 408 1 шт.
Артикул (ID): CC-12001
Микропереключатель SM5-03P
  • 14.86 1 шт.
Артикул (ID): CC-11989
Переключатель KW5-OZ-1-E угловой
  • 4.37 1 шт.
Артикул (ID): KK-16512
Д701||5|2021|Электроавтомат|з/уп+пасп.
  • 340 1 шт.
Артикул (ID): KK-16511
Д701||5|2020|Электроавтомат|
  • 323 1 шт.

Недавно просмотренные товары

Принимаем к оплате
IP Electron в соцсетях