74 132 товаров в наличии и на заказ

Электронные компоненты и расходные материалы

$
Настройка отображения валюты
Полный каталог
Скидка на Конденсаторы
-20%

МП11 под пайку кнопка 0,2A(Ампер) 30VDC(Вольт) 250VAC(Вольт) Микропереключатель (арт. OP-1659)

on-(on); Кузбассрадио; кнопка

МП-11 Микропереключатель – однополюсный, малогабаритный с одним переключающим контактом.  
Предназначены для коммутации электрических цепей постоянного и переменного тока при напряжении не более 250 В и силе тока до 4,0 А. Используются для работы в качестве микропереключателей в системах управления и сигнализации электронной аппаратуры общего и специального назначения. Микропереключатели типа МП выпускаются 2 типоразмеров и 5 типономиналов. Микропереключатели выполнены в карболитовых корпусах и крепятся двумя винтами через отверстия в корпусе. Конструкция контактных выводов обеспечивает подсоединение монтажных проводов при помощи пайки. Вся дополнительная информация находится во вложении на товар, см. pdf – файл.

Подробнее
Заметили
ошибку ?
Сообщите нам

Общая информация

Наименование МП11 под пайку кнопка 0,2A(Ампер) 30VDC(Вольт) 250VAC(Вольт) Микропереключатель
Торговая марка Кузбассрадио
Страна происхождения СССР
Нормы и требования УС0.360.074 ТУ
Дата изготовленияi 1976-1991
Вид приемки i "1"- ОТК
Масса изделия, гр 2,5
Транслитерация MP11 solder button 0.2A(Ampere) 30VDC(Volt) 250VAC(Volt) Microswitch
Наличие паспорта - этикетки нет
Состояние упаковки самоупаковка

Основные параметры

Функциональная группа Коммутационные изделия
Функциональный тип микропереключатель
Серия переключателя МП
Число полюсов однополюсный
Количество положений 2
Наличие фиксации нет
Количество фиксированных положений 1
Усилие срабатывания 0,98-2,94 N
Усилие обратного срабатывания 0,39 N
Метод монтажа механический на панель, крепление корпуса винтовое
Метод монтажа электрический пайка
Способ присоединения проводов пайка
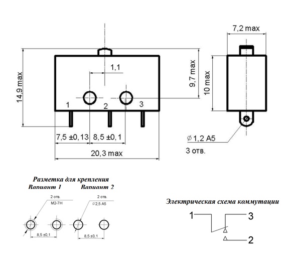
Установочные размеры 8,5 mm расстояние между монтажными отверстиями
Алгоритм работыi on-(on)
Электрическая схема контактов микропереключателей 1 перекл.
Наличие индикации (цвет) нет
Габаритные размеры L*W*H 20,3х7,2х14,9 mm
Высота корпуса 10 mm
Длина корпуса 20,3 mm
Ширина корпуса 8,5 mm
Материал корпуса карболит
Вид толкателя кнопка
Рабочий ход толкателя 0,15 - 0,6 mm
Материал ручки(кнопки)-толкателя карболит
Покрытие ручки толкателя без покрытия
Цвет толкателя коричневый
Высота ручки толкателя 3 mm
Вид выводов лепесток
Материал выводов латунь
Покрытие выводов (Ag) серебро
Фактическая маркировка МП11

Технические характеристики

Номинальный ток 0,2 A
Номинальное напряжение 30 VDC; 250 VAC
Коммутируемая мощность, max 300 W
Сопротивление контактов не более 50 mΩ
Сопротивление изоляции 1000 MΩ

Условия эксплуатации

Интервал рабочих температур от -60 до +125°C
Климатическое исполнениеi УХЛ
Относительная влажность 98% при температуре +35°С
Минимальная наработка 5000 час.
Ресурс 15000 циклов
Макс. срок хранения 15 лет

Функциональные аналоги

Возможные аналоги

Оставить отзыв

Оценка:
              
Преимущества *
Недостатки *
Комментарий *
Ваше Имя *
Эл. почта *
Введите текст с картинки:
* Поля для обязательного заполнения
Отзыв будет опубликован после проверки модератором
Принимаем заказы на товары,
не вошедшие в каталог

Пришлите маркировку необходимого вам товара.
Мы предоставим Вам наилучшие условия по поставке!

Оформить заявку

Похожие товары

Артикул (ID): CC-12540
Микропереключатель Z-15GW2-B
  • 100.03 1 шт.
Артикул (ID): KL-3826
ПМ22-2В под пайку 4A 36VDC 6A 250VAC Микропереключатель, АГ0.360.218 ТУ
  • 648 1 шт.
  • 584 от 5 шт.
Артикул (ID): TT-05056
KW1-103-Z3A100 Микропереключатель, 3-контактный, средний уровень, 6,35x0,8 мм, черный Daier
  • 25.46 1 шт.
Артикул (ID): TT-05055
KW1-103-Z1A150 переключатель Daier
  • 25.98 1 шт.
Артикул (ID): TT-05054
KW-10-Z4P переключатель Daier
  • 8.78 1 шт.
Артикул (ID): TT-05053
KW-10-Z3P переключатель Daier
  • 5.03 1 шт.
Артикул (ID): TT-05052
KLS7-KW4-3Z-B122013L4 (L-KLS7-KW4-3Z-B122013L4) переключатель, KLS
  • 29.96 1 шт.
Артикул (ID): KL-2180
МП2101Л исп.4 под пайку толкатель 16A(Ампер) 440VDC(Вольт) 660VAC(Вольт) Микропереключатель.
  • 308 1 шт.
Артикул (ID): KL-2228
Уценка МП2101Л исп.4 под пайку толкатель 16A(Ампер) 440VDC(Вольт) 660VAC(Вольт) Микропереключатель.
  • 216 1 шт.
Артикул (ID): ZN-8608
2Д701 под пайку кнопка 10A(Ампер) 30VAC(Вольт) 3A(Ампер) 220VAC(Вольт) Микропереключатель.
  • 300 1 шт.
  • 300 от 10 шт.
  • 300 от 100 шт.
Артикул (ID): KK-16663
ПМ22-2В|карб.|5|2013|Белово|
  • 340 1 шт.
Артикул (ID): KK-16661
МП1-1 ( ПМ22-2)|карб.|9|2018|Белово|
  • 408 1 шт.
Артикул (ID): CC-11989
Переключатель KW5-OZ-1-E угловой
  • 4.32 1 шт.
Артикул (ID): KK-16512
Д701||5|2021|Электроавтомат|з/уп+пасп.
  • 340 1 шт.
Артикул (ID): KK-16511
Д701||5|2020|Электроавтомат|
  • 323 1 шт.

Недавно просмотренные товары

Принимаем к оплате
IP Electron в соцсетях