74 049 товаров в наличии и на заказ

Электронные компоненты и расходные материалы

$
Настройка отображения валюты
Полный каталог
Скидка на Конденсаторы
-20%

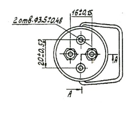
Розетка 47К 36В 6,3А, ИЖЦМ.642282.004ТУ (арт. TN-8784)

Розетка 47К 36В 6,3А отечественная. Максимальное допустимое напряжение: 36 В, Максимальный ток нагрузки: 6,3 A, Количество контактов: 2 контакта. Изготовлена из черного карболита с прижимной пружиной. Вся дополнительная информация находится во вложении на товар, см. pdf - файл.

Подробнее
Заметили
ошибку ?
Сообщите нам

Общая информация

Наименование Розетка 47К 36В 6,3А, ИЖЦМ.642282.004ТУ
Торговая марка No name USSR
Страна изготовления СССР
Код ТНВЭД 8536508008
Нормы и требования ИЖЦМ.642282.004ТУ
Дата изготовленияi 1976-1991
Вид приемки i "1"- ОТК
Масса изделия, гр 26,9
Вид упаковки картонная коробка (100шт)
Состояние упаковки самоупаковка
Транслитерация Socket 47K 36V 6.3A IZHTSM.642282.004TU
Наличие паспорта - этикетки нет

Основные параметры

Функциональная группа соединители
Функциональный тип сетевые вилки, розетки
Вид соединителя розетка
Серия сетевого соединителя 47К
Количество контактов 2
Тип контактов гнездо
Вид контактов круглые
Материал контактов латунь
Покрытие контактов без покрытия
Метод монтажа механический на кабель
Метод монтажа электрический клеммы, винт
Наличие фланца нет
Тип крепления разъема переносной
Материал корпуса карболит
Цвет корпуса черный
Длина корпуса 40 mm
Высота корпуса 20,5 mm
Габаритные размеры L*W*H 40х20,5 mm
Фактическая маркировка 47К 36В 6,3А
Рабочее положение любое
Код ТНВЭД 8536508008

Технические характеристики

Номинальный ток 6,3 A
Номинальное напряжение 36 V

Условия эксплуатации

Интервал рабочих температур от -60 до +110°C
Климатическое исполнениеi УХЛ 1.2
Минимальная наработка 1000 час.
Ресурс 10000 сочленений-расчленений
Загрузка...
Принимаем заказы на товары,
не вошедшие в каталог

Пришлите маркировку необходимого вам товара.
Мы предоставим Вам наилучшие условия по поставке!

Оформить заявку

Похожие товары

Артикул (ID): CC-12479
Разъем питания AC-016 вилка на блок
  • 18.16 1 шт.
Артикул (ID): TT-05217
TJ1A-4P4C (L-KLS12-123-4P4C-W/O-1-01) Разъем KLS
  • 5.16 1 шт.
Артикул (ID): TT-05216
L-KLS12-TL002-1X1-G/Y-1-03, Разъем RJ45, экранированный (жёлтый/зелёный свет.) и трансформ, KLS
  • 117.38 1 шт.
Артикул (ID): TT-05214
L-KLS1-AS-222-15 Разъем 220В вилка на блок, 2 контакта KLS
  • 15.99 1 шт.
Артикул (ID): TT-05213
L-KLS1-233-0-0-1-R (Micro USB 5S-B), Разъем B Type, KLS
  • 5.09 1 шт.
Артикул (ID): TT-05212
L-KLS1-229-5FB-B-R, (MUBS-5F-SM) (USB/M-1J), miniUSB 5конт розетка smd, KLS
  • 5.27 1 шт.
Артикул (ID): TT-05211
KLS1-ASS-201 разъем KLS гнездо
  • 25.34 1 шт.
Артикул (ID): TT-05210
KLS1-AS-303-3 разъем KLS (выключатель)
  • 70.2 1 шт.
Артикул (ID): TT-05209
KLS1-AS-303-2 разъем KLS (выключатель)
  • 73.4 1 шт.
Артикул (ID): TT-05208
KLS1-AS-301-5 разъем KLS
  • 15.77 1 шт.
Артикул (ID): TT-05207
KLS1-AS-301-4 разъем KLS
  • 17.69 1 шт.
Артикул (ID): TT-05206
KLS1-AS-301 разъем KLS
  • 26.49 1 шт.
Артикул (ID): TT-05205
JHAC-02M1 (KLS1-AS-302-1) разъем гнездо JH
  • 8.78 1 шт.
Артикул (ID): TT-05204
AS-08 разъем гнездо Daier
  • 18.8 1 шт.
Артикул (ID): TT-05203
AS-07 разъем штекер Daier
  • 33.62 1 шт.

Недавно просмотренные товары

Принимаем к оплате
IP Electron в соцсетях