74 568 товаров в наличии и на заказ

Электронные компоненты и расходные материалы

$
Настройка отображения валюты
Полный каталог
Скидка на Конденсаторы
-20%

Г1,6 Гнездо белое (арт. OP-1781)

No name USSR; 150 V

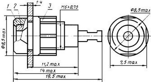
Гнездо Г1,6 белое однополюсное с диаметром рабочей поверхности контакта 1,6мм. Усилие сочленения/расчленения - 0,98 Н. Минимальное значения рабочего тока: 1 мА. Минимальные значения рабочего напряжения: 0,1 В. Ответной частью является Ш1,6. Вся дополнительная информация находится во вложении на товар, см. pdf - файл.

Подробнее
Заметили
ошибку ?
Сообщите нам

Общая информация

Наименование Г1,6 Гнездо белое
Торговая марка No name USSR
Страна изготовления СССР
Нормы и требования ГОСТ 22578-77
Дата изготовленияi дата не указана
Вид приемки i "1"- ОТК
Масса изделия, гр 0,6
Состояние упаковки самоупаковка
Транслитерация Jack white G1,6
Наличие паспорта - этикетки нет

Основные параметры

Функциональная группа соединители
Функциональный тип штыри и гнёзда
Вид соединителя гнездо
Серия штекера, гнезда Г1,6
Фактическая маркировка отсутствует
Количество полюсов один
Цвет втулки белый
Материал втулки полистирол
Диаметр контакта разъема 1,6 mm
Метод монтажа механический на панель
Метод монтажа электрический пайка
Материал корпуса полистирол
Цвет корпуса белый
Количество контактов 1
Материал контактов латунь
Покрытие контактов Ag (серебро)
Установочные размеры 6,2 mm
Толщина панели 2 mm
Материал гайки полистирол
Покрытие гайки нет
Габаритные размеры L*W*H 19,5х8,5 mm
Наличие паспорта - этикетки нет

Технические характеристики

Номинальный ток 1 A
Номинальное напряжение 150 V
Сопротивление контактов не более 0,02 Ω
Сопротивление изоляции 1 MΩ
Линейные нагрузки 500 m/с²
Диапазон рабочих частот 1 - 2000 Hz
Ускорение при механическом ударе одиноч. действия 5000 m/с²
Ускорение при механическом ударе многокр. действия 1500 m/с²
Вибрационные нагрузки: максимальное ускорение 150 m/с²

Условия эксплуатации

Интервал рабочих температур от -40 до +70°C
Климатическое исполнениеi УХЛ
Относительная влажность 98% при температуре +35°С
Макс. срок хранения 10 лет
Ресурс 25000 сочленений-расчленений
Минимальная наработка 5000 час.
Загрузка...
Принимаем заказы на товары,
не вошедшие в каталог

Пришлите маркировку необходимого вам товара.
Мы предоставим Вам наилучшие условия по поставке!

Оформить заявку

Недавно просмотренные товары

Принимаем к оплате
IP Electron в соцсетях