74 132 товаров в наличии и на заказ

Электронные компоненты и расходные материалы

$
Настройка отображения валюты
Полный каталог
Скидка на Конденсаторы
-20%

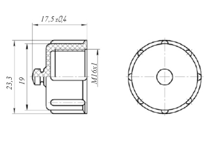
Заглушка блочная РЗМ16х1,0 для 2РМ(Д)Т14 пластик (арт. TB-7210)

No name Russia; М16х1,0; внутренняя резьба; 2РМ(Д)Т..., 2РМГ(П)..., ОНЦ-РГ-09...; -; заглушка, крышка для разъемов...

Заглушка блочная РЗМ16х1,0 для 2РМ(Д)Т14 пластик. Структура условного обозначения: РЗ – тип заглушки (внутренняя резьба); М16х1,0 – размер резьбы. Заглушка предназначена для защиты контактной части соединителя от механических воздействий, попадания мусора, пыли и посторонних предметов при хранении, транспортировке и в иных условиях. Заглушка блочная РЗМ16х1,0 устанавливается на блочные соединители 2РМ, 2РМ(Д)Т, 2РТ(Т), 2РМГ, ОНЦ-РГ-09… вместо ответных частей. Вся дополнительная информация находится во вложении на товар, см. pdf - файл.

Подробнее
Заметили
ошибку ?
Сообщите нам

Общая информация

Наименование Заглушка блочная РЗМ16х1,0 для 2РМ(Д)Т14 пластик
Страна изготовления РОССИЯ
Торговая марка No name Russia
Дата изготовленияi дата не указана
Вид приемки i "1"- ОТК
Масса изделия, гр 1,46
Доупаковка промасленная бумага
Состояние упаковки самоупаковка
Транслитерация Block plug RZM16x1.0 for 2RM(D)T14 plastic

Основные параметры

Функциональная группа Аксессуары для цилиндрических разъемов
Функциональный тип Заглушка разъемная
Серия заглушек РЗМ...
Исполнение заглушек Исполнение 1 (без крепления)
Типономинал / Типоконструкция заглушка блочная
Условный размер корпуса 14
Диаметр установочного отверстия d = 16 mm
Метод сочленения резьбовой
Вид резьбы внутренняя резьба
Размер резьбы М16х1,0
Длина резьбы 7,9 mm
Взаимосочленение 2РМ(Д)Т..., 2РМГ(П)..., ОНЦ-РГ-09...
Габаритные размеры L*W*H 23,3х17.5 mm
Диаметр корпуса 23,3 mm
Высота корпуса 17,5 mm
Материал корпуса пластик (ПА6 210/310)
Покрытие корпуса без покрытия
Цвет корпуса черный
Фактическая маркировка отсутствует
Наличие паспорта - этикетки нет
Рабочее положение любое
Другие наименования заглушка, крышка для разъемов...
Аналогичные серии НВР8.057...

Условия эксплуатации

Интервал рабочих температур от -70 до +80°C
Макс. срок хранения 15 лет
Загрузка...
Принимаем заказы на товары,
не вошедшие в каталог

Пришлите маркировку необходимого вам товара.
Мы предоставим Вам наилучшие условия по поставке!

Оформить заявку

Похожие товары

Артикул (ID): TD-4067
Заглушка блочная РЗМ16х1,0 для 2РМ(Д)Т14 пластик, ГОСТ 25930-83
Артикул (ID): TD-4068
Заглушка блочная РЗМ16х1,0 для 2РМ(Д)Т14 пластик, ГОСТ 25930-83.
Артикул (ID): TN-1795
Заглушка блочная ЭП2РМТ-14-1 для 2РМ(Д)Т14 металл, с цепочкой, АШДК.434410.062ТУ
Артикул (ID): TN-5143
Заглушка кабельная НРЗМ16х1,0 для 2РМ(Д)Т14 пластик, ГОСТ 25930-83
  • 64 1 шт.
Артикул (ID): TN-1892
Заглушка кабельная М16х1 для 2РМ(Д)Т14 фенопласт
  • 50 1 шт.
  • 36 от 5 шт.
Артикул (ID): KT-4204
Заглушка кабельная ЭК-22 для СНЦ23 металл, с цепочкой, НКЦС.434410.112ТУ
  • 3960 1 шт.
Артикул (ID): KT-4207
Заглушка блочная ЭП-27 для СНЦ23 металл, с цепочкой, НКЦС.434410.112ТУ
  • 3960 1 шт.
Артикул (ID): KT-4258
Заглушка блочная ЭП-ОНЦ-14 для ОНЦ-БС-14 металл, с цепочкой, АШДК.434410.088ТУ
Артикул (ID): TB-7083
Заглушка блочная ЭП-ОНЦ-10 для ОНЦ-БС-10 металл, с цепочкой, АШДК.434410.088ТУ
  • 4500 1 шт.
Артикул (ID): ZZ-7133
FQ30-T-LID
  • 92.04 1 шт.
  • 92.04 от 10 шт.
  • 92.04 от 100 шт.
Артикул (ID): ZZ-7136
FQ14-T-LID
  • 81.14 1 шт.
  • 81.14 от 10 шт.
Артикул (ID): TB-9930
Заглушка блочная ЭП-ОНЦ-12 для ОНЦ-БС-12 металл, с цепочкой, АШДК.434410.088ТУ
  • 3500 1 шт.
Артикул (ID): ZZ-7137
FQ30-Z-LID
  • 135.42 1 шт.
  • 135.42 от 10 шт.
Артикул (ID): CC-12555
Заглушка FQ14 кабельной части
  • 111.65 1 шт.
Артикул (ID): CC-12560
Заглушка FQ18 кабельной части
  • 95.64 1 шт.

Недавно просмотренные товары

Принимаем к оплате
IP Electron в соцсетях