74 052 товаров в наличии и на заказ

Электронные компоненты и расходные материалы

$
Настройка отображения валюты
Полный каталог
Скидка на Конденсаторы
-20%

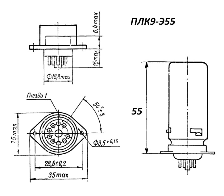
ПЛК9-Э55 Панель ламповая (арт. SN-8360)

Панель ламповая ПЛК9-Э55 - металлокерамическая с прижимом для установки 9 - штырьковых пальчиковых ламп. Э - экранированный ламподержатель. Предназначена для вставления электровакуумных приборов в радиоэлектронной аппаратуре. Подходит для ламп общей высотой приблизительно 55 мм. Вся дополнительная информация находится во вложении на товар, см. pdf - файл.

Подробнее
Заметили
ошибку ?
Сообщите нам

Общая информация

Наименование ПЛК9-Э55 Панель ламповая
Торговая марка Завод Радиокерамики, Южно-Уральск
Страна происхождения СССР
Дата выпуска 1987
Вид приемки i "1"- ОТК
Масса изделия, гр 19,09
Состояние упаковки самоупаковка
Доупаковка бумага
Транслитерация Panel lamp PLK9-E55

Основные параметры

Типономинал / Типоконструкция 9 контактный
Конструктивные особенности в корпусе
Материал вставки (изолятора) керамика
Фактическая маркировка ПЛК9-Э55
Метод монтажа навесной
Габаритные размеры L*W*H 67х34 mm
Высота корпуса 18
Диаметр корпуса 21
Минимальный срок сохраняемости, лет 11

Технические характеристики

Рабочее напряжение 350
Сопротивление изоляции 1 000
Сопротивление контактов не более 0,01

Условия эксплуатации

Интервал рабочих температур -60
Загрузка...
Принимаем заказы на товары,
не вошедшие в каталог

Пришлите маркировку необходимого вам товара.
Мы предоставим Вам наилучшие условия по поставке!

Оформить заявку

Недавно просмотренные товары

Принимаем к оплате
IP Electron в соцсетях