74 574 товаров в наличии и на заказ

Электронные компоненты и расходные материалы

$
Настройка отображения валюты
Полный каталог
Скидка на Конденсаторы
-20%

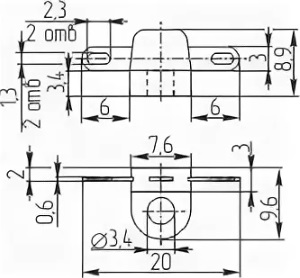
3СМ8-1 Стойка монтажная ГОСТ 28821-90 (арт. TP-5892)

3СМ8-1 Стойка монтажная карболит для навесного монтажа. Структура условного обозначения: 3 – конструктивное исполнение; СМ – обозначение типа (стойка монтажная); 8 – типоразмер стойки монтажной; 1 – количество пар контактов. Стойка предназначена для соединения электрических цепей постоянного, переменного и импульсного тока при внутреннем объёмном монтаже радиоэлектронной аппаратуры. Используются как промежуточный переходный элемент для электрического соединения узлов и блоков аппаратуры общепромышленного и специального назначения. Способ крепления стойки в оборудовании - при помощи винтов. Стойка имеет один контакт, который выведен на две диаметрально-противоположные стороны стойки (насквозь). Вся дополнительная информация находится во вложении на товар, см. pdf - файл.

Подробнее
Заметили
ошибку ?
Сообщите нам

Общая информация

Наименование 3СМ8-1 Стойка монтажная ГОСТ 28821-90
Торговая марка No name USSR
Страна изготовления СССР
Нормы и требования ГОСТ 28821-90
Дата изготовленияi 1976-1991
Вид приемки i "1"- ОТК
Масса изделия, гр 0,6
Наличие паспорта - этикетки нет
Транслитерация 3SM8-1 Mounting rack GOST 28821-90
Состояние упаковки самоупаковка

Основные параметры

Функциональная группа Установочные изделия
Функциональный тип Стойка монтажная
Серия стоек 3СМ
Типоразмер стойки монтажной 8
Вид стойки угловая
Количество контактов 1 пара контактов
Вид контактов лепесток
Расположение контактов сквозные (на разные стороны)
Материал контактов латунь
Покрытие контактов лужение
Материал стойки карболит
Покрытие стойки без покрытия
Цвет стойки коричневый
Габаритные размеры L*W*H 20х9,6х8,9 mm
Высота стойки 8,9 mm
Высота расположения контактов 3,4 mm
Метод монтажа механический объемный монтаж
Метод монтажа электрический пайка
Размер монтажного отверстия для механического крепления к плате d=3,5 mm
Фактическая маркировка отсутствует
Рабочее положение любое
Аналогичные серии 4СМ...
Другие наименования стойка навесная

Технические характеристики

Рабочее напряжение, max 250 V
Рабочий ток, max 5 A

Условия эксплуатации

Интервал рабочих температур от -60 до +100°С
Климатическое исполнениеi УХЛ
Относительная влажность 98% при температуре +40°С
Загрузка...
Принимаем заказы на товары,
не вошедшие в каталог

Пришлите маркировку необходимого вам товара.
Мы предоставим Вам наилучшие условия по поставке!

Оформить заявку

Похожие товары

Артикул (ID): SN-7134
3СМ10-1 Стойка монтажная ГОСТ 28821-90.
Артикул (ID): SN-7136
3СМ4-1 Стойка монтажная ГОСТ 28821-90
  • 108 1 шт.
  • 90 от 50 шт.
Артикул (ID): TM-1636
4СМ10-1 Стойка монтажная ГОСТ 28821-90
  • 495 1 шт.
  • 450 от 50 шт.
Артикул (ID): SN-7136
3СМ4-1 Стойка монтажная ГОСТ 28821-90
  • 108 1 шт.
  • 90 от 50 шт.
Артикул (ID): TM-1636
4СМ10-1 Стойка монтажная ГОСТ 28821-90
  • 495 1 шт.
  • 450 от 50 шт.
Артикул (ID): SN-6976
4СМ2-2 Стойка монтажная ГОСТ 28821-90
  • 36 1 шт.
  • 32 от 10 шт.
Артикул (ID): SN-6977
3СМ12-1 Стойка монтажная ГОСТ 28821-90.
Артикул (ID): SN-6978
3СМ5-1 Стойка монтажная ГОСТ 28821-90
Артикул (ID): TL-4713
3СМ10А-1 Стойка монтажная ГОСТ 28821-90
Артикул (ID): KP-5393
4СМ12-1 Стойка монтажная ГОСТ 28821-90.
Артикул (ID): KP-7023
4СМ12-1 Стойка монтажная ГОСТ 28821-90
  • 68 1 шт.
Артикул (ID): KP-8386
3СМ12-1 Стойка монтажная ГОСТ 28821-90
  • 63 1 шт.
  • 59 от 10 шт.
  • 50 от 50 шт.
  • 45 от 100 шт.
Артикул (ID): KT-3811
4СМ1-1 Стойка монтажная ГОСТ 28821-90
  • 99 1 шт.
  • 89 от 10 шт.
  • 77 от 50 шт.
Артикул (ID): KK-10654
3СМ6-1|||2016||
  • 42.5 1 шт.
Артикул (ID): KK-13647
4СМ2-2|карб.||1992|Термопласт|з/уп
  • 20.4 1 шт.

Недавно просмотренные товары

Принимаем к оплате
IP Electron в соцсетях