74 103 товаров в наличии и на заказ

Электронные компоненты и расходные материалы

$
Настройка отображения валюты
Полный каталог
Скидка на Конденсаторы
-20%

4СМ1-1 Стойка монтажная ГОСТ 28821-90 (арт. KT-3811)

4СМ1-1 Стойка монтажная карболит для навесного монтажа. Стойка предназначена для соединения электрических цепей постоянного, переменного и импульсного тока при внутреннем объёмном монтаже радиоэлектронной аппаратуры. Используются как промежуточный переходный элемент для электрического соединения узлов и блоков аппаратуры общепромышленного и специального назначения. Структура условного обозначения: 4 – конструктивное исполнение; СМ – обозначение типа (стойка монтажная); 1 – типоразмер стойки монтажной; 1 – количество пар контактов   Вся дополнительная информация находится во вложении на товар, см. pdf - файл.

Подробнее
Заметили
ошибку ?
Сообщите нам

Общая информация

Наименование 4СМ1-1 Стойка монтажная ГОСТ 28821-90
Торговая марка No name USSR
Страна изготовления СССР
Нормы и требования ГОСТ 28821-90
Дата изготовленияi дата не указана
Вид приемки i "1"- ОТК
Масса изделия, гр 0,91
Наличие паспорта - этикетки нет
Транслитерация 4CM1-1 Mounting rack GOST 28821-90
Состояние упаковки самоупаковка

Основные параметры

Функциональная группа Установочные изделия
Функциональный тип Стойка монтажная
Серия стоек 4СМ
Типоразмер стойки монтажной 12
Вид стойки прямая
Исполнение стойки внутренняя резьба
Количество контактов 1 пара контактов
Вид контактов пловолочные
Расположение контактов сквозные (на разные стороны)
Материал контактов латунь
Покрытие контактов лужение
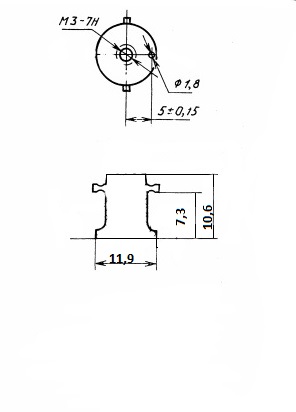
Внутренняя резьба M2.5х0,2
Длина резьбы 4 mm
Внутренний диаметр 2,5 mm
Материал стойки карболит
Покрытие стойки без покрытия
Цвет стойки коричневый
Габаритные размеры L*W*H 10,6х11,9х11,9 mm
Высота стойки 10,6 mm
Высота расположения контактов 12 mm
Диаметр основания стойки 6 mm
Диаметр корпуса 6 mm
Метод монтажа механический объемный монтаж
Метод монтажа электрический пайка
Размер монтажного отверстия для механического крепления к плате d=2,0 mm
Фактическая маркировка отсутствует
Рабочее положение любое
Аналогичные серии 3СМ...
Другие наименования стойка навесная

Технические характеристики

Рабочее напряжение, max 100 V
Рабочий ток, max 1 A

Условия эксплуатации

Интервал рабочих температур от -60 до +100°С
Климатическое исполнениеi УХЛ
Относительная влажность 98% при температуре +40°С
Загрузка...
Принимаем заказы на товары,
не вошедшие в каталог

Пришлите маркировку необходимого вам товара.
Мы предоставим Вам наилучшие условия по поставке!

Оформить заявку

Похожие товары

Артикул (ID): SN-7134
3СМ10-1 Стойка монтажная ГОСТ 28821-90.
Артикул (ID): TM-1636
4СМ10-1 Стойка монтажная ГОСТ 28821-90
  • 495 1 шт.
  • 450 от 50 шт.
Артикул (ID): SN-6979
3ПС6-6 6 пар, 2 ряда, 12 контактов, шаг 7mm, 8A(Ампер) 600V(Вольт) Плата соединительная, карболит ГОСТ 28821-90
Артикул (ID): SN-7136
3СМ4-1 Стойка монтажная ГОСТ 28821-90
  • 108 1 шт.
  • 90 от 50 шт.
Артикул (ID): TM-1636
4СМ10-1 Стойка монтажная ГОСТ 28821-90
  • 495 1 шт.
  • 450 от 50 шт.
Артикул (ID): SN-6976
4СМ2-2 Стойка монтажная ГОСТ 28821-90
  • 36 1 шт.
  • 32 от 10 шт.
Артикул (ID): SN-6977
3СМ12-1 Стойка монтажная ГОСТ 28821-90.
Артикул (ID): SN-6978
3СМ5-1 Стойка монтажная ГОСТ 28821-90
Артикул (ID): TL-4713
3СМ10А-1 Стойка монтажная ГОСТ 28821-90
Артикул (ID): TP-5892
3СМ8-1 Стойка монтажная ГОСТ 28821-90
  • 59 1 шт.
  • 54 от 10 шт.
Артикул (ID): KP-5393
4СМ12-1 Стойка монтажная ГОСТ 28821-90.
Артикул (ID): KP-7023
4СМ12-1 Стойка монтажная ГОСТ 28821-90
  • 68 1 шт.
Артикул (ID): KP-8386
3СМ12-1 Стойка монтажная ГОСТ 28821-90
  • 63 1 шт.
  • 59 от 10 шт.
  • 50 от 50 шт.
  • 45 от 100 шт.
Артикул (ID): KK-10654
3СМ6-1|||2016||
  • 42.5 1 шт.
Артикул (ID): KK-13647
4СМ2-2|карб.||1992|Термопласт|з/уп
  • 20.4 1 шт.

Недавно просмотренные товары

Принимаем к оплате
IP Electron в соцсетях