73 975 товаров в наличии и на заказ

Электронные компоненты и расходные материалы

$
Настройка отображения валюты
Полный каталог
Скидка на Конденсаторы
-20%

АЗК3-4 40A(Ампер) 200VAC(Вольт) Автоматический выключатель (арт. ZX-2667)

Алатырский завод «Электроавтомат», г. Алатырь; 200 VAC; 400 Hz

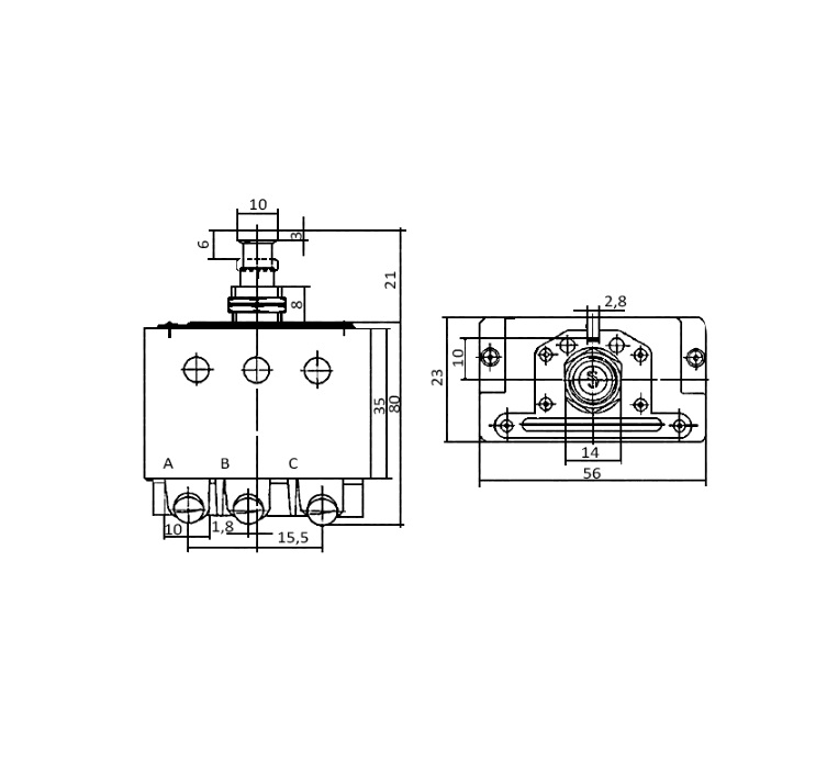
АЗК3-4 40A 200VAC - автомат защиты сети кнопочный, трехполюсный негерметичный для работы в сетях трехфазного переменного тока напряжением не более 208 В частотой 400 Гц с номинальным током 40 А. Структура условного обозначения: АЗ - автомат защиты сети; К – кнопочный; 3 – однополюсный; 40А – номинальный ток; 200VAC - номинальное напряжение цепи переменного тока. Предназначен для защиты бортовых электрических цепей переменного тока летательных аппаратов и других энергоемких объектов от недопустимых по величине и времени протекания токовых перегрузок и токов короткого замыкания. Вся дополнительная информация находится во вложении на товар, см. pdf -файл.

Подробнее
Заметили
ошибку ?
Сообщите нам

Общая информация

Наименование АЗК3-4 40A(Ампер) 200VAC(Вольт) Автоматический выключатель
Торговая марка Алатырский завод «Электроавтомат», г. Алатырь
Страна изготовления РОССИЯ
Дата изготовленияi дата не указана
Нормы и требования 8Ю0.619.282ТУ
Вид приемки i "1"- ОТК
Масса изделия, гр 140
Наличие паспорта - этикетки нет
Транслитерация AZK3-4 40A(Ampere) 200VAC(Volt) Circuit breaker
Вид упаковки картонная коробка (1шт)
Состояние упаковки заводская

Основные параметры

Функциональная группа Устройства защиты
Функциональный тип автоматические выключатели
Серия автоматических выключателей АЗК3
Число полюсов трехполюсный
Количество положений 2
Наличие фиксации есть
Наличие перезапуска ручной
Наличие индикации (цвет) нет
Вид толкателя кнопка
Материал ручки(кнопки)-толкателя карболит
Материал корпуса карболит
Габаритные размеры L*W*H 56х23х101 mm
Длина корпуса 56 mm
Ширина корпуса 23 mm
Высота корпуса 80 mm
Метод монтажа механический на панель
Метод монтажа электрический винт
Цвет корпуса коричневый
Материал выводов латунь
Вид выводов винтовые
Покрытие выводов (Ni) никель
Количество выводов 6
Расстояние между выводами 15,5 mm
Установочные размеры Ø 12,2 mm
Рабочее положение любое
Фактическая маркировка АЗК3-4

Технические характеристики

Номинальный ток 40 A
Номинальное напряжение 200 VAC
Номинальная частота 400 Hz
Род тока 3-х фазный переменный

Условия эксплуатации

Степень защиты IPi IP30, IP00
Минимальная наработка 2000 час.
Климатическое исполнениеi УХЛ3
Интервал рабочих температур от -60 до +60°С
Относительная влажность 98% при температуре +40°С
Минимальный срок сохраняемости, лет 10

Функциональные аналоги

Возможные аналоги

АЗ3К-40  АО "Электроавтомат", фото
АЗ3К-40 АО "Электроавтомат"
АЗ3-40  АО "Электроавтомат", фото
АЗ3-40 АО "Электроавтомат"

Оставить отзыв

Оценка:
              
Преимущества *
Недостатки *
Комментарий *
Ваше Имя *
Эл. почта *
Введите текст с картинки:
* Поля для обязательного заполнения
Отзыв будет опубликован после проверки модератором
Принимаем заказы на товары,
не вошедшие в каталог

Пришлите маркировку необходимого вам товара.
Мы предоставим Вам наилучшие условия по поставке!

Оформить заявку

Похожие товары

Артикул (ID): ZX-2640
АЗ3К-15 15A(Ампер) 200VAC(Вольт) Автоматический выключатель.
Артикул (ID): ZX-2646
АЗ3К-50 50A(Ампер) 200VAC(Вольт) Автоматический выключатель
  • 4875.12 1 шт.
Артикул (ID): ZX-2642
АЗ3К-2 2A(Ампер) 200VAC(Вольт) Автоматический выключатель.
  • 1712.88 1 шт.
Артикул (ID): ZP-5597
ADB3-63 3P 20A(Ампер) 230VAC(Вольт) 6kA х-ка C Автоматический выключатель
  • 502.23 1 шт.
Артикул (ID): ZP-5599
ADB3-63 3P 32A(Ампер) 230VAC(Вольт) 6kA х-ка C Автоматический выключатель
  • 502.23 1 шт.
Артикул (ID): ZP-5600
ADB3-63 3P 40A(Ампер) 230VAC(Вольт) 6kA х-ка C Автоматический выключатель
  • 502.23 1 шт.
  • 502.23 от 10 шт.
Артикул (ID): ZP-5601
ADB3-63 3P 50A(Ампер) 230VAC(Вольт) 6kA х-ка C Автоматический выключатель
  • 552.72 1 шт.
  • 552.72 от 10 шт.
Артикул (ID): ZP-5602
ADB3-63 3P 63A(Ампер) 230VAC(Вольт) 6kA х-ка C Автоматический выключатель
  • 552.72 1 шт.
  • 552.72 от 10 шт.
Артикул (ID): ZP-7165
ВА47-29 1Р 20A(Ампер) 230VAC(Вольт) 4,5кА х-ка С Автоматический выключатель
  • 175.07 1 шт.
  • 175.07 от 10 шт.
Артикул (ID): ZP-7213
ВА47-29 1Р 3A(Ампер) 230VAC(Вольт) 4,5кА х-ка С Автоматический выключатель
  • 220.37 1 шт.
Артикул (ID): ZP-7281
ВА47-29 1Р 40A(Ампер) 230VAC(Вольт) 4,5кА х-ка С Автоматический выключатель
  • 184.73 1 шт.
  • 184.73 от 10 шт.
Артикул (ID): ZP-7175
ВА47-29 1Р 63A(Ампер) 230VAC(Вольт) 4,5кА х-ка С Автоматический выключатель
  • 153 1 шт.
  • 153 от 10 шт.
Артикул (ID): ZX-2654
АЗК1М-2-2С 2A(Ампер) 27VDC(Вольт) 115VAC(Вольт) Автоматический выключатель.
  • 11858.4 1 шт.
Артикул (ID): KL-6235
Уценка АЗС-20 20A(Ампер) 27V(Вольт) Автоматический выключатель, ТУ 16-526.015-73
  • 932 1 шт.

Недавно просмотренные товары

Принимаем к оплате
IP Electron в соцсетях